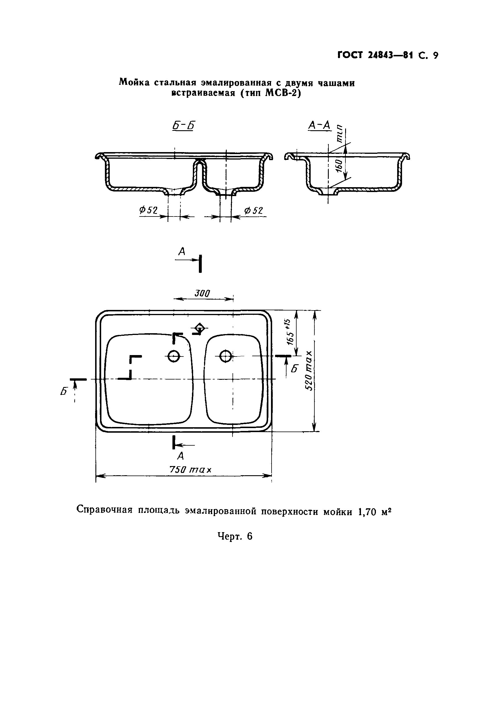
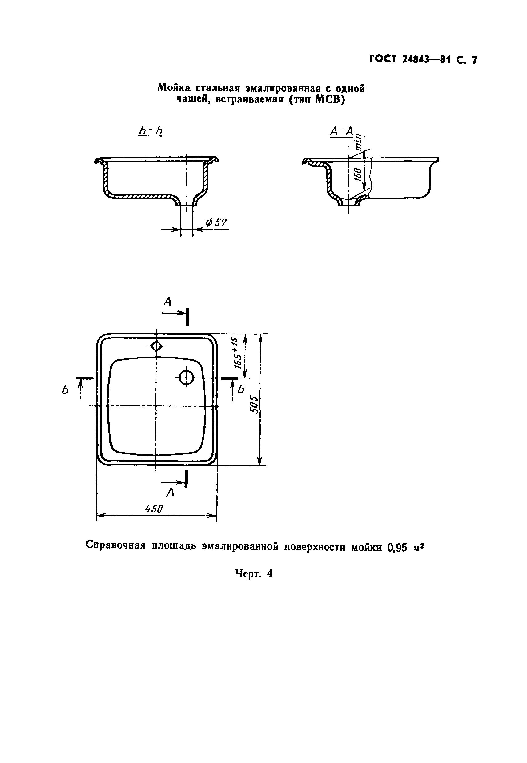
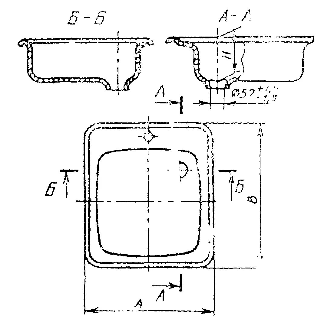
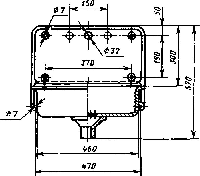
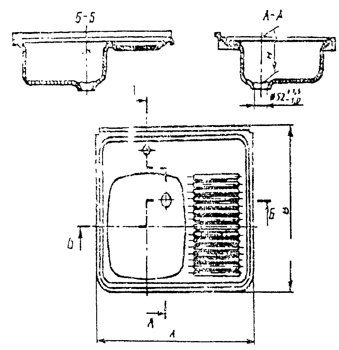
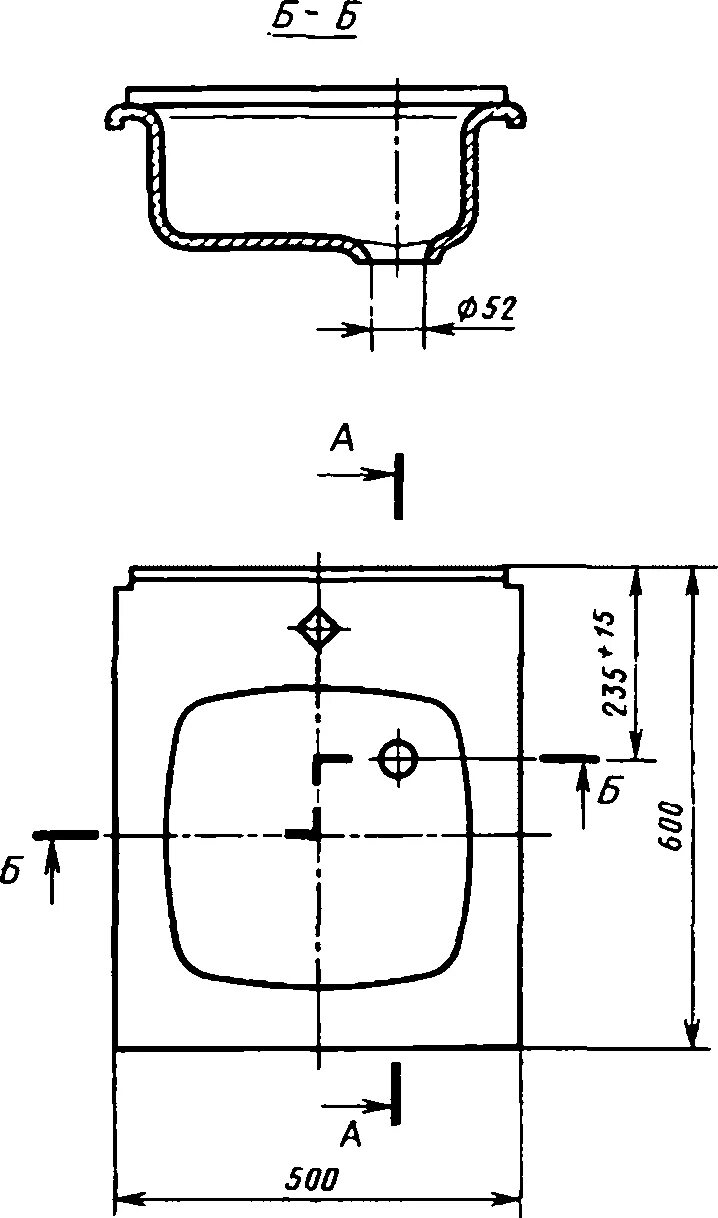
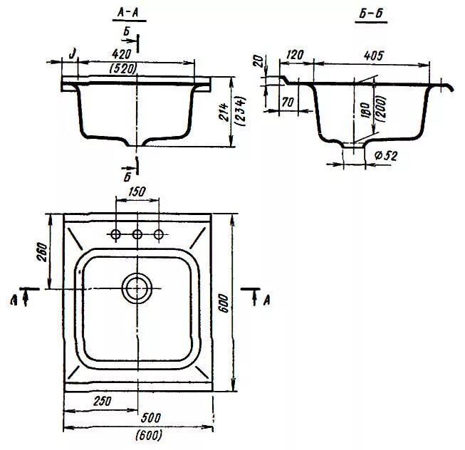
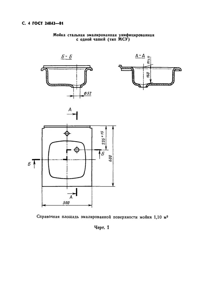
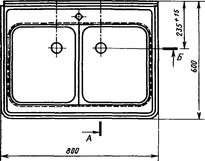
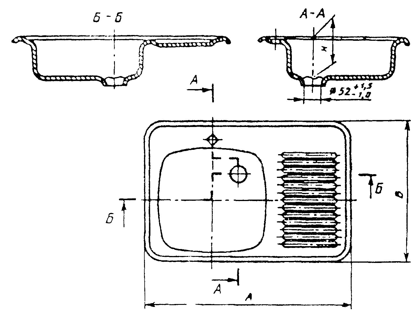
Размеры эмалированных моек