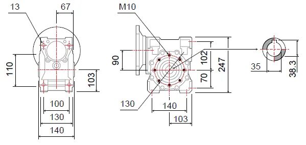
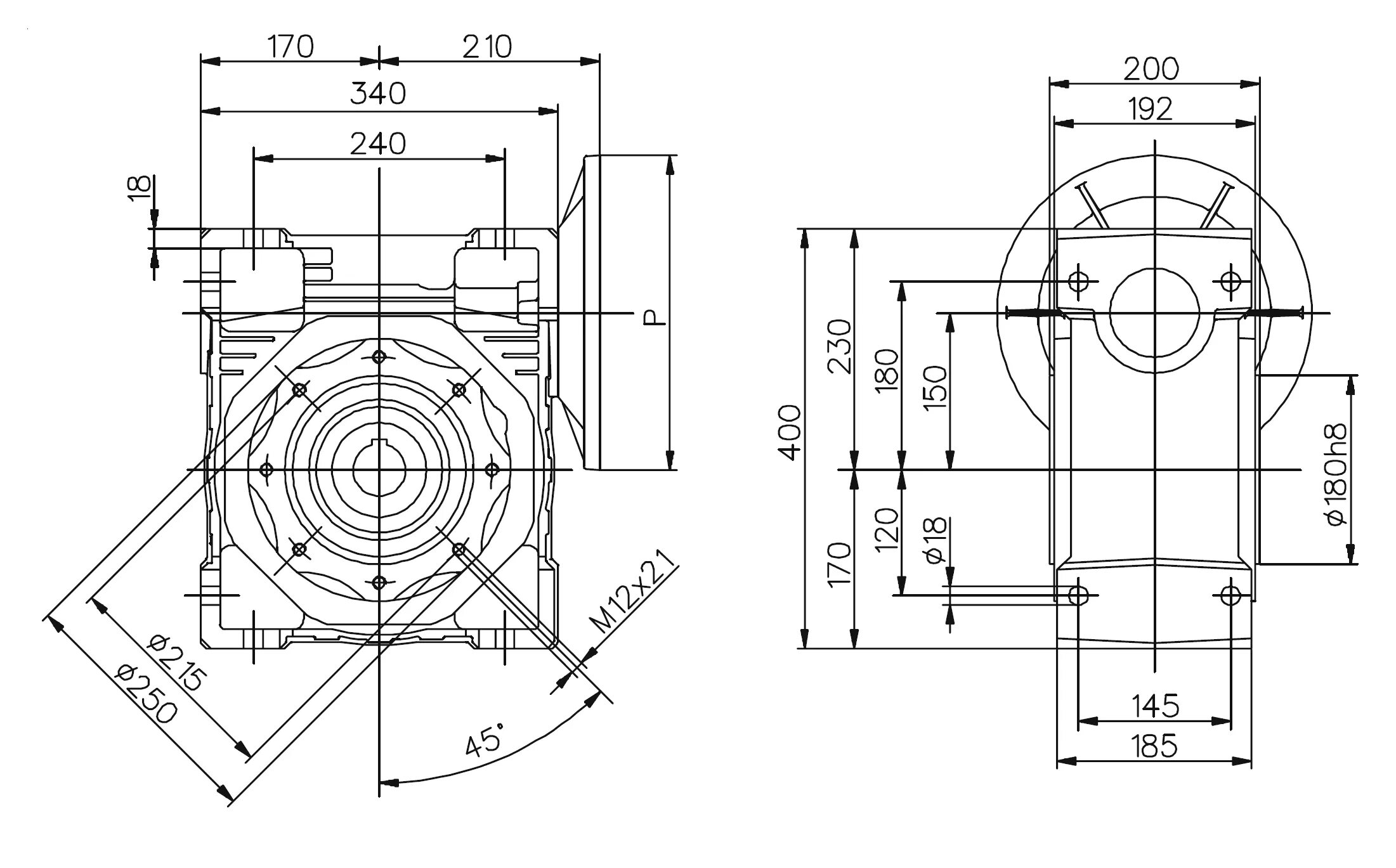
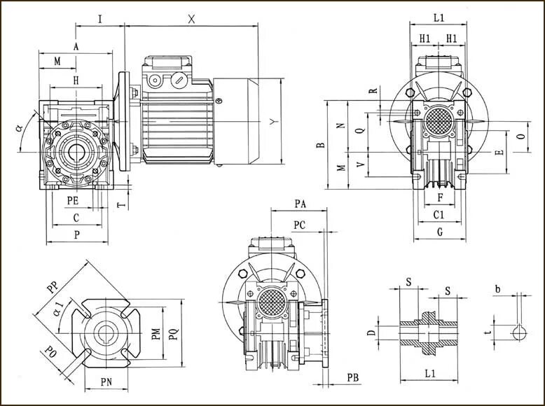
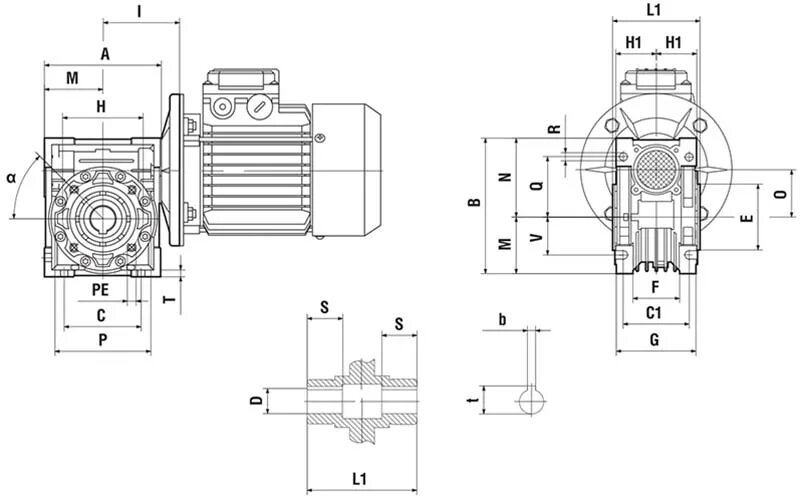
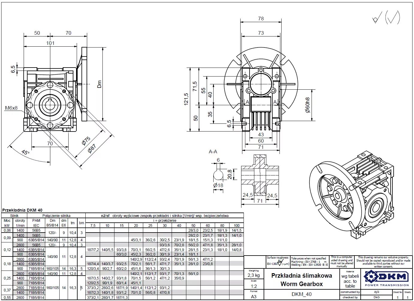
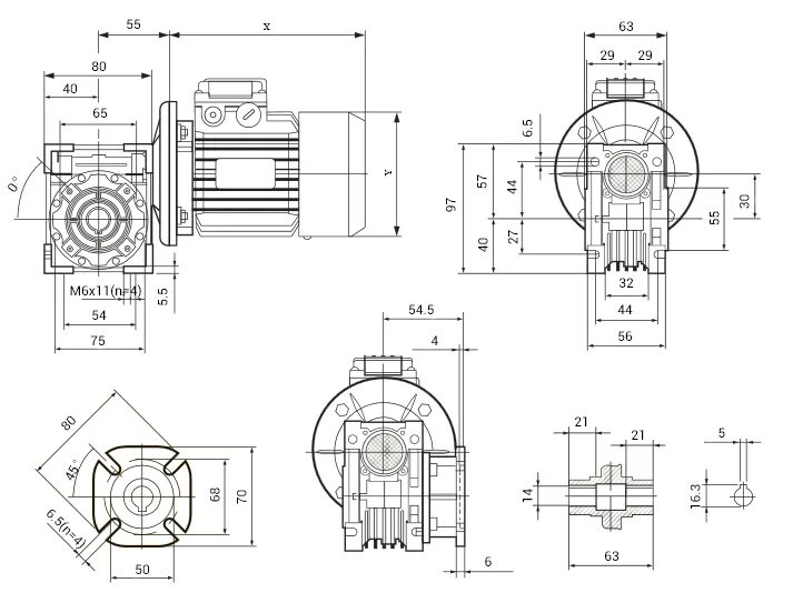
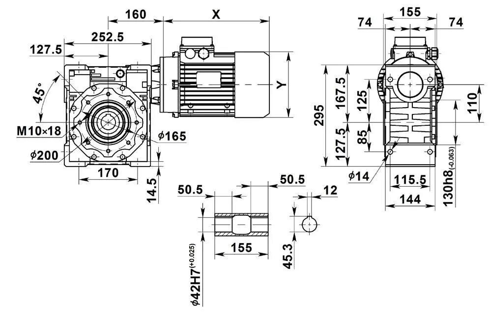
Размеры редукторов nmrv