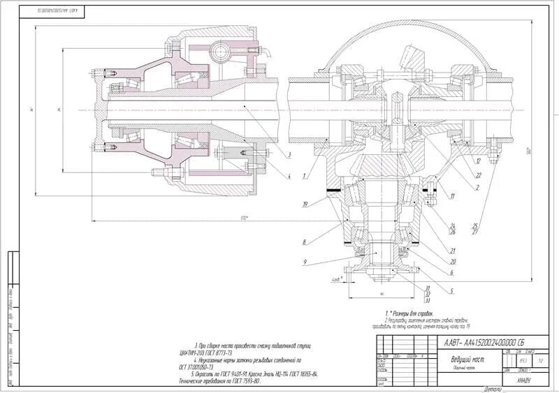
Размеры ведущих мостов