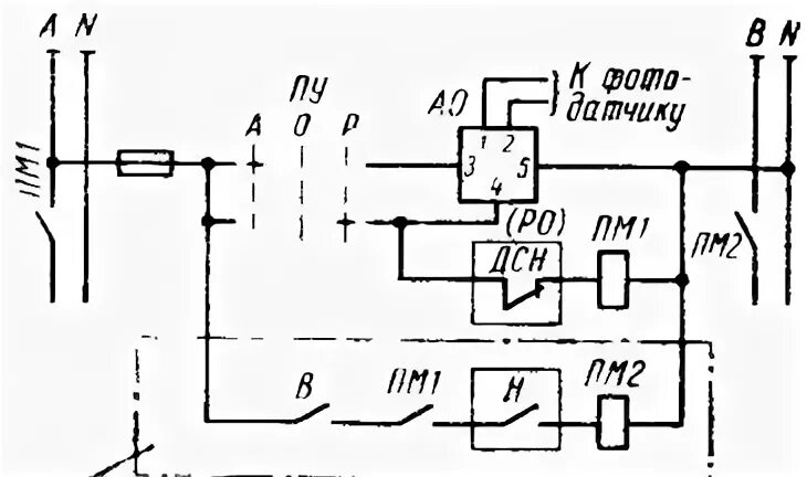
Рддп 02