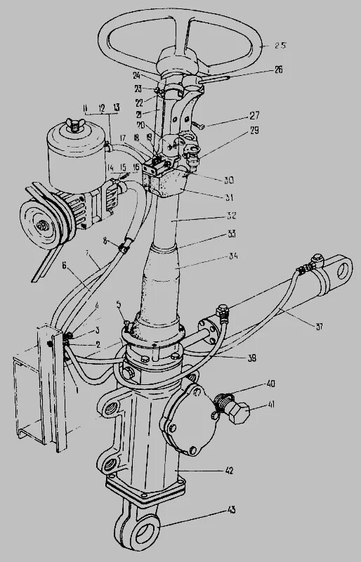
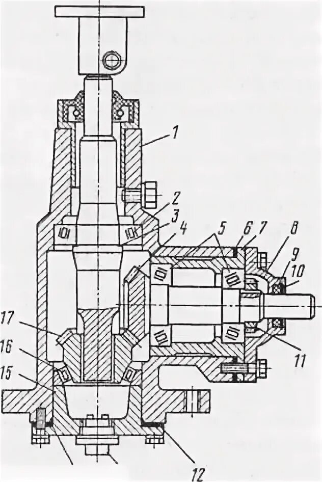
Редуктор паз 3205