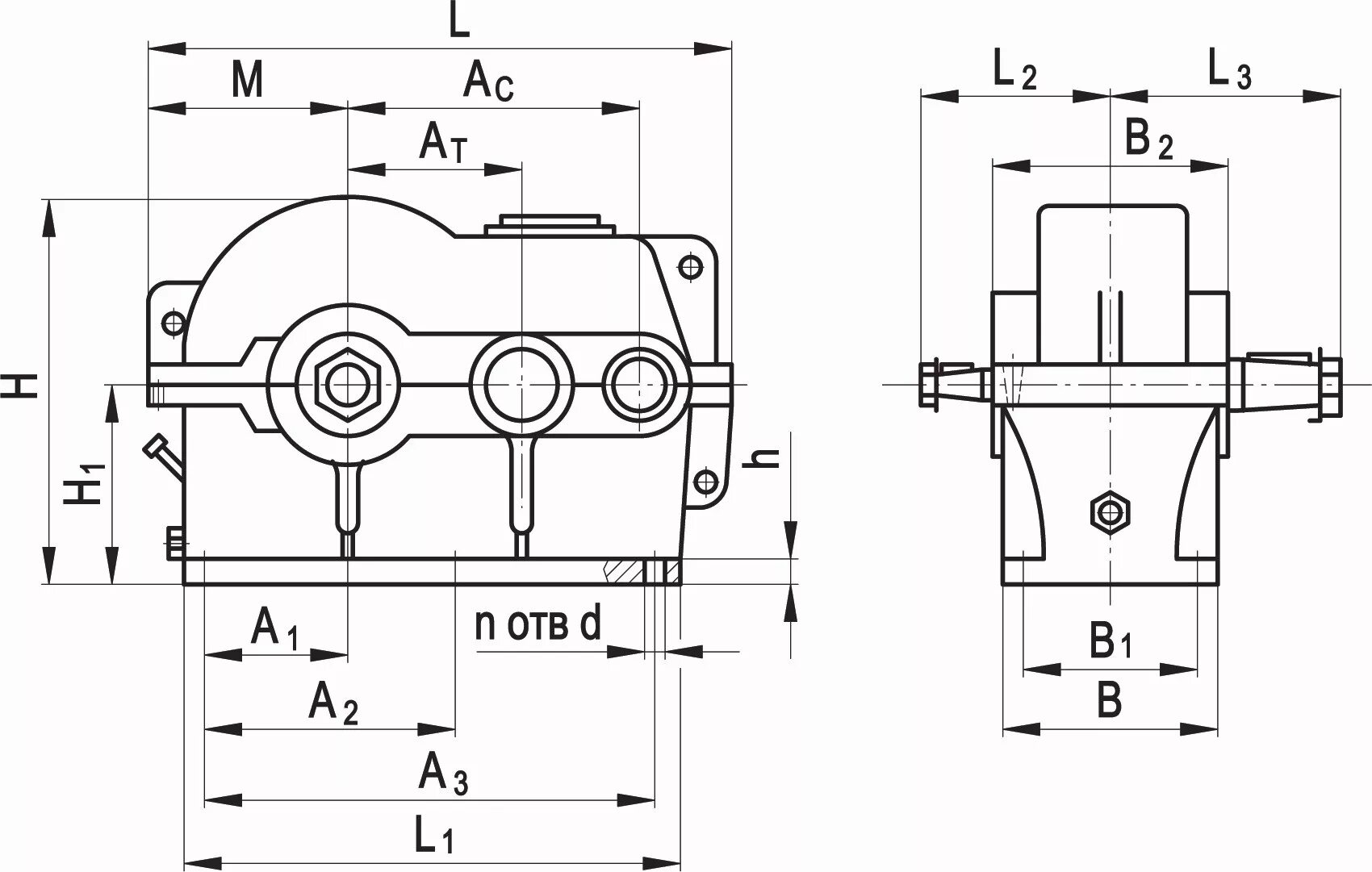
Редуктор рцд 250