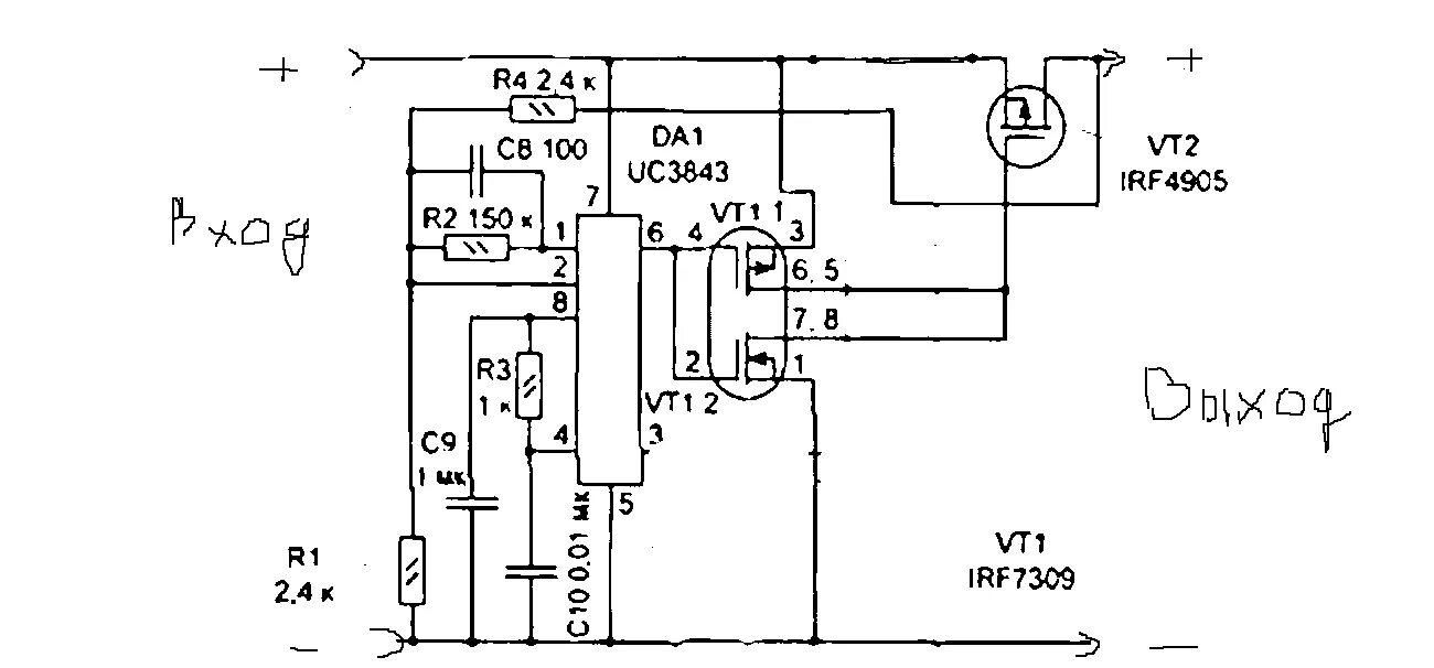
Регулятор напряжения двигателя