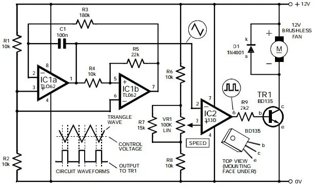
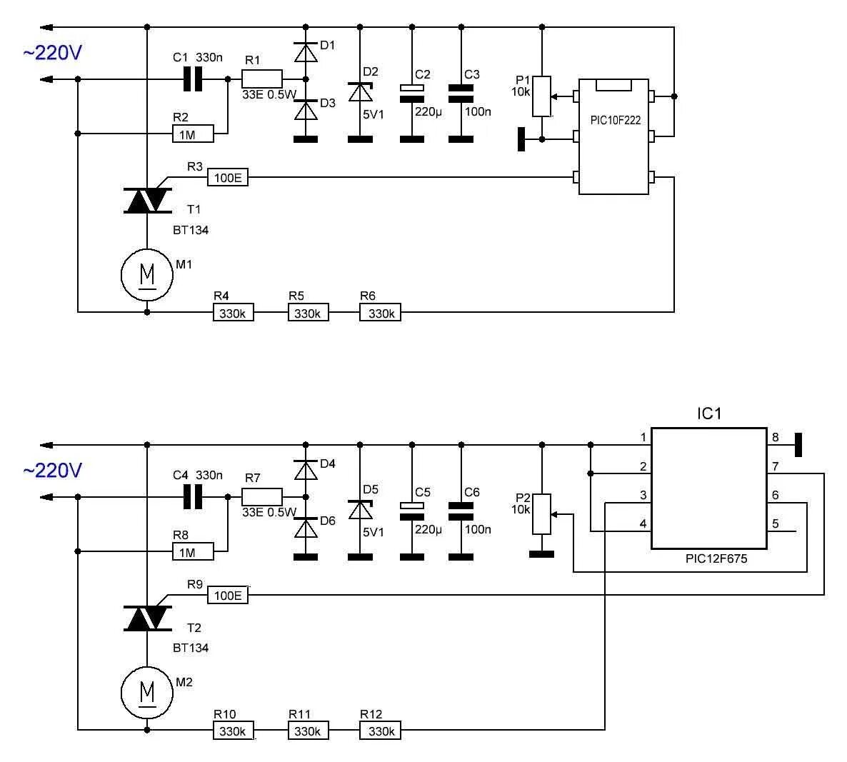
Регулятор вращения 220в