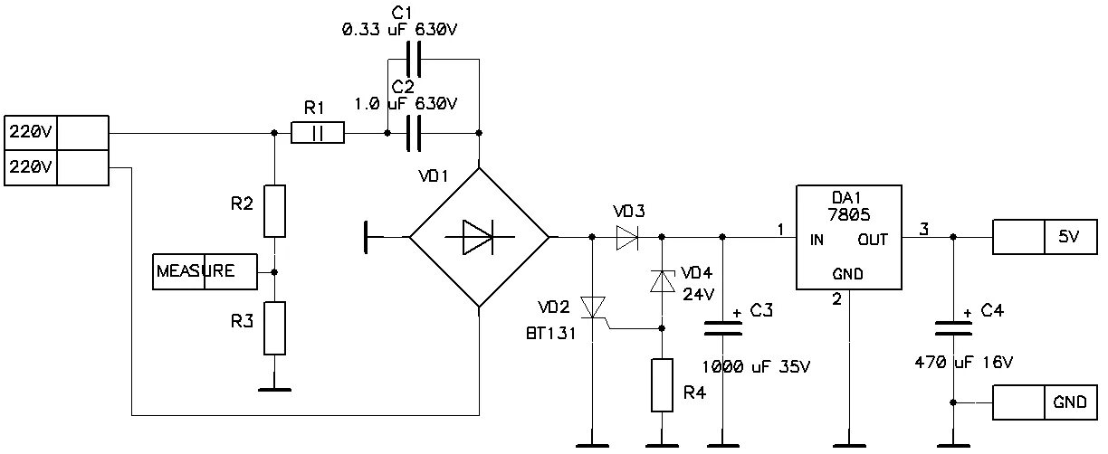
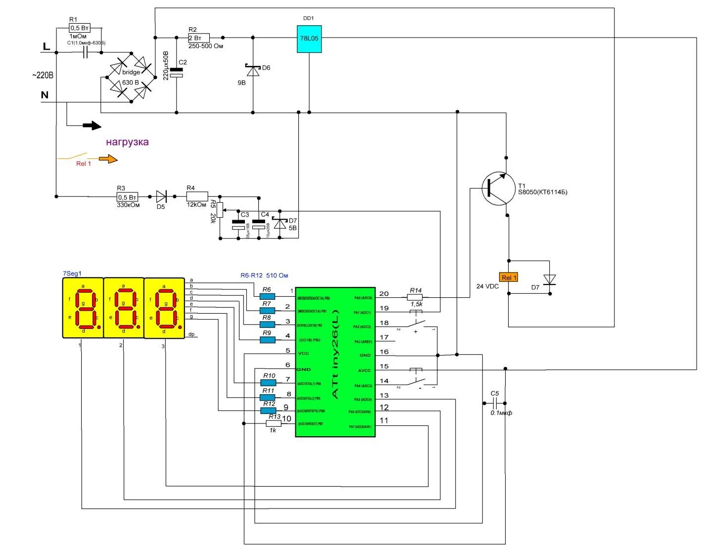
Ремонт устройств защиты