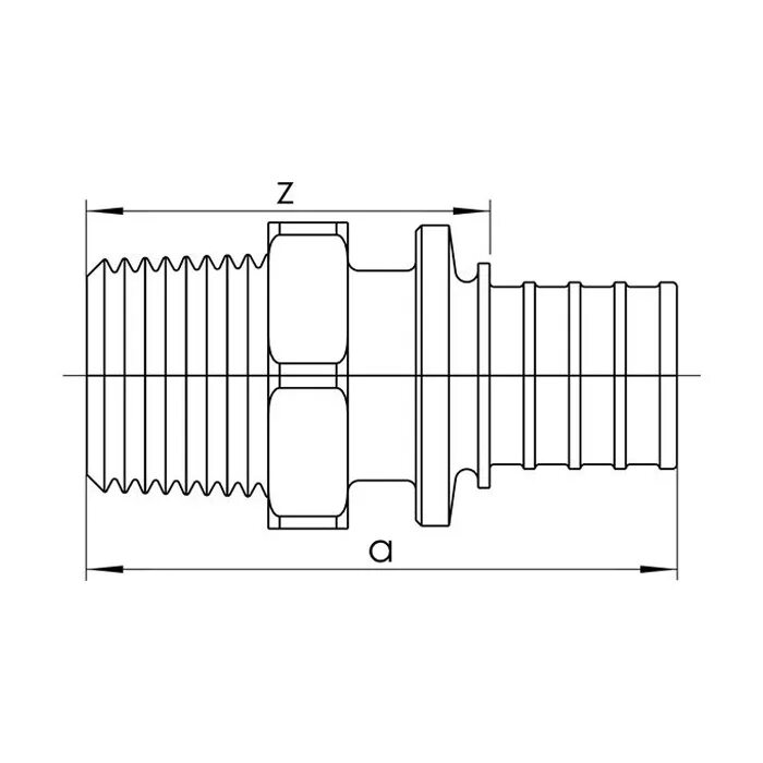
Резьба r 1