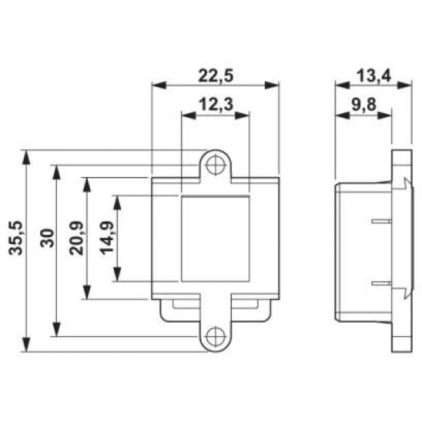
Rj45 ip20