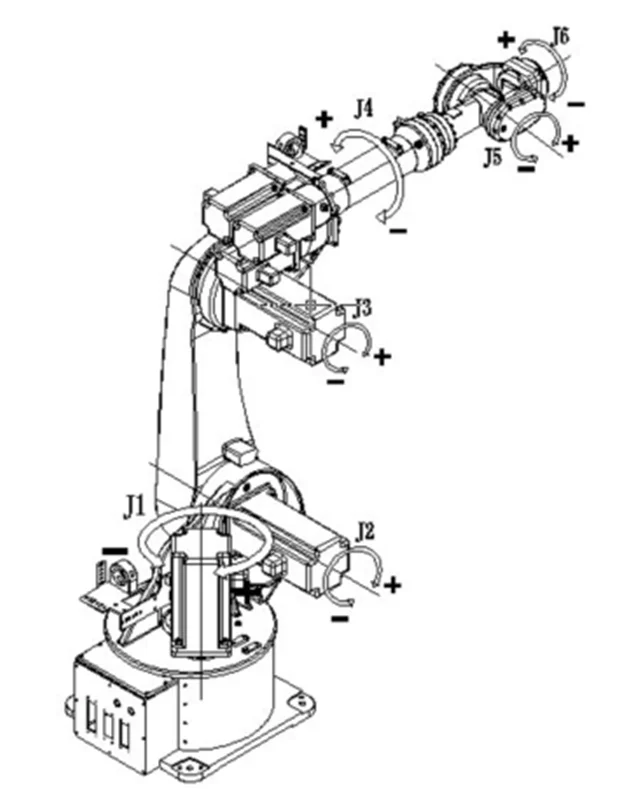
Робот 6 осей