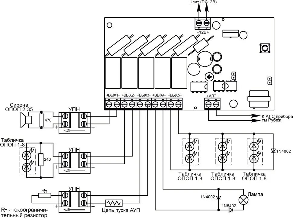
Рубеж р 3