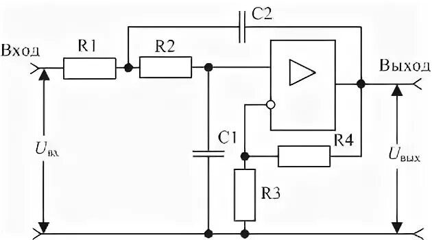
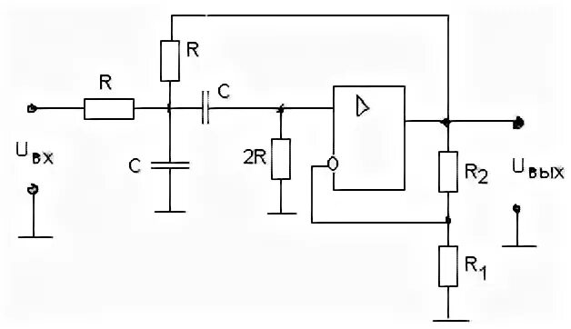
Сален ки