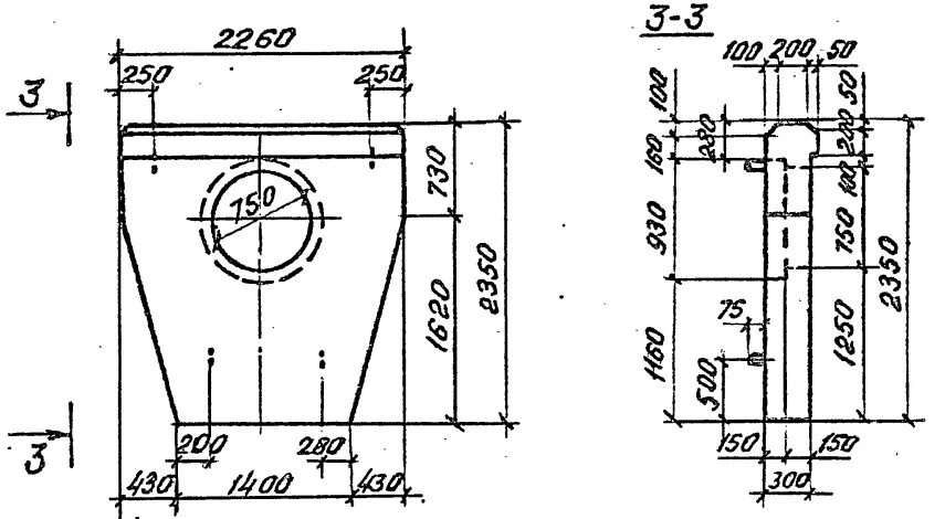
Сам ст 9