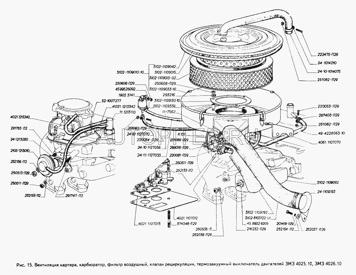
Сапун 402 двигатель