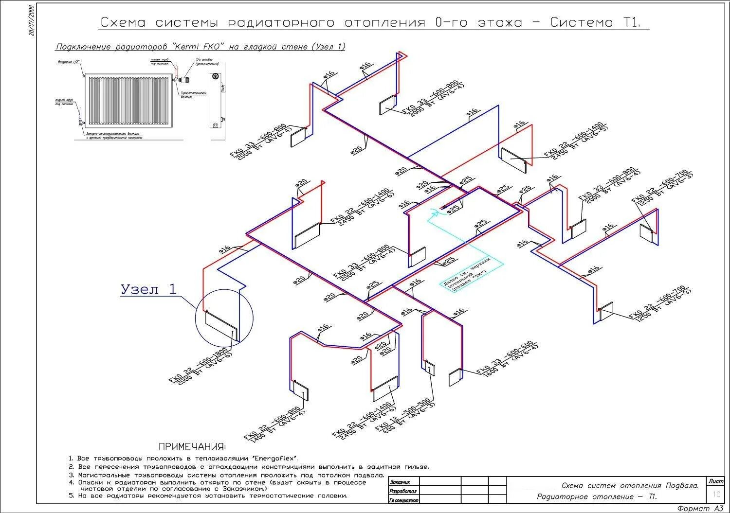
Сдача системы отопления