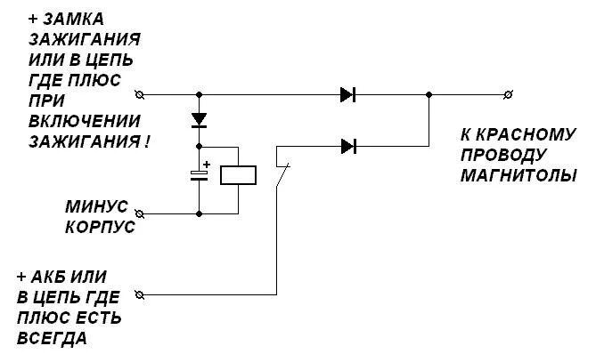
Сделать чтобы при выключении зажигания