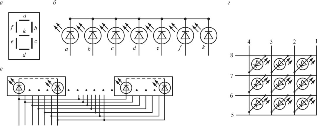
Сера индикация