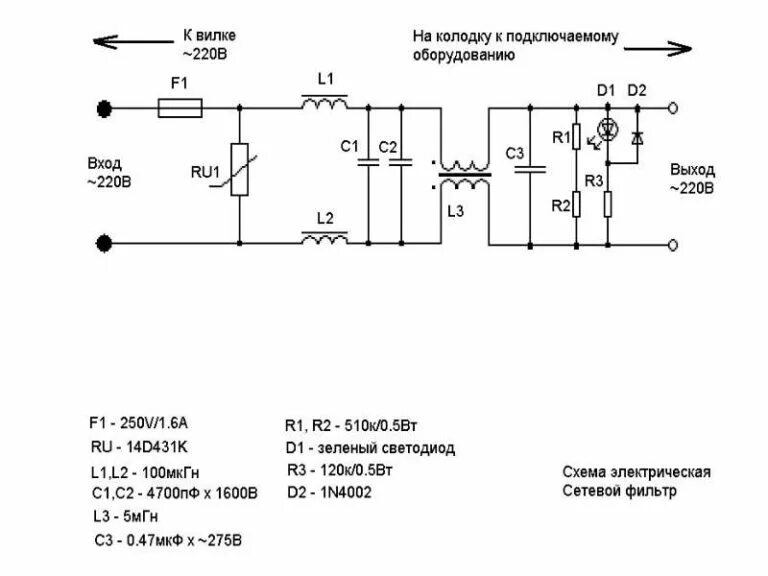
Сетевые фильтры блока питания