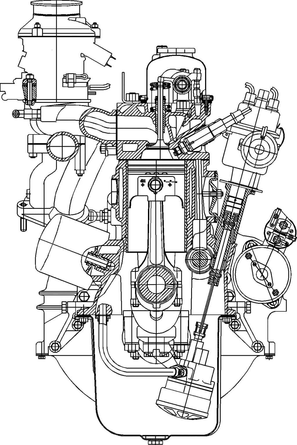
Схема 417 двигателя