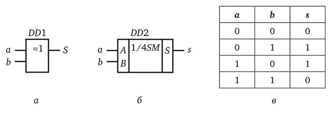
Схема четвертей