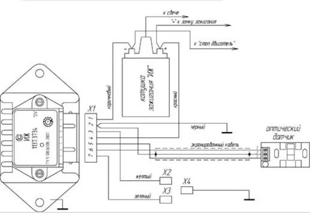
Схема электронного зажигания юпитер