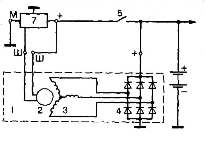
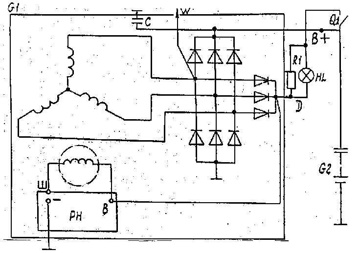
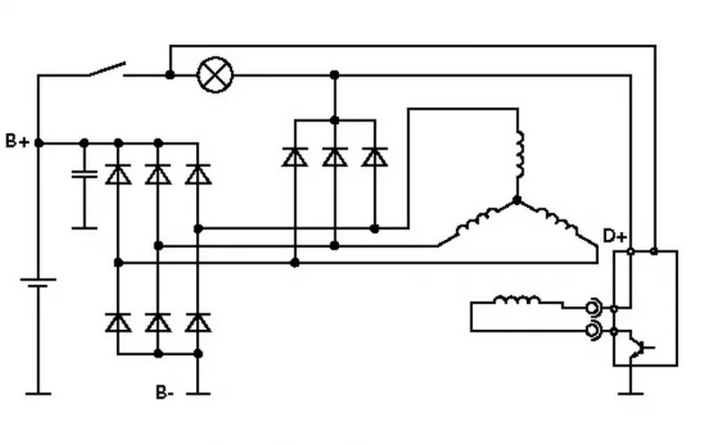
Схема генератора автомобиля ваз