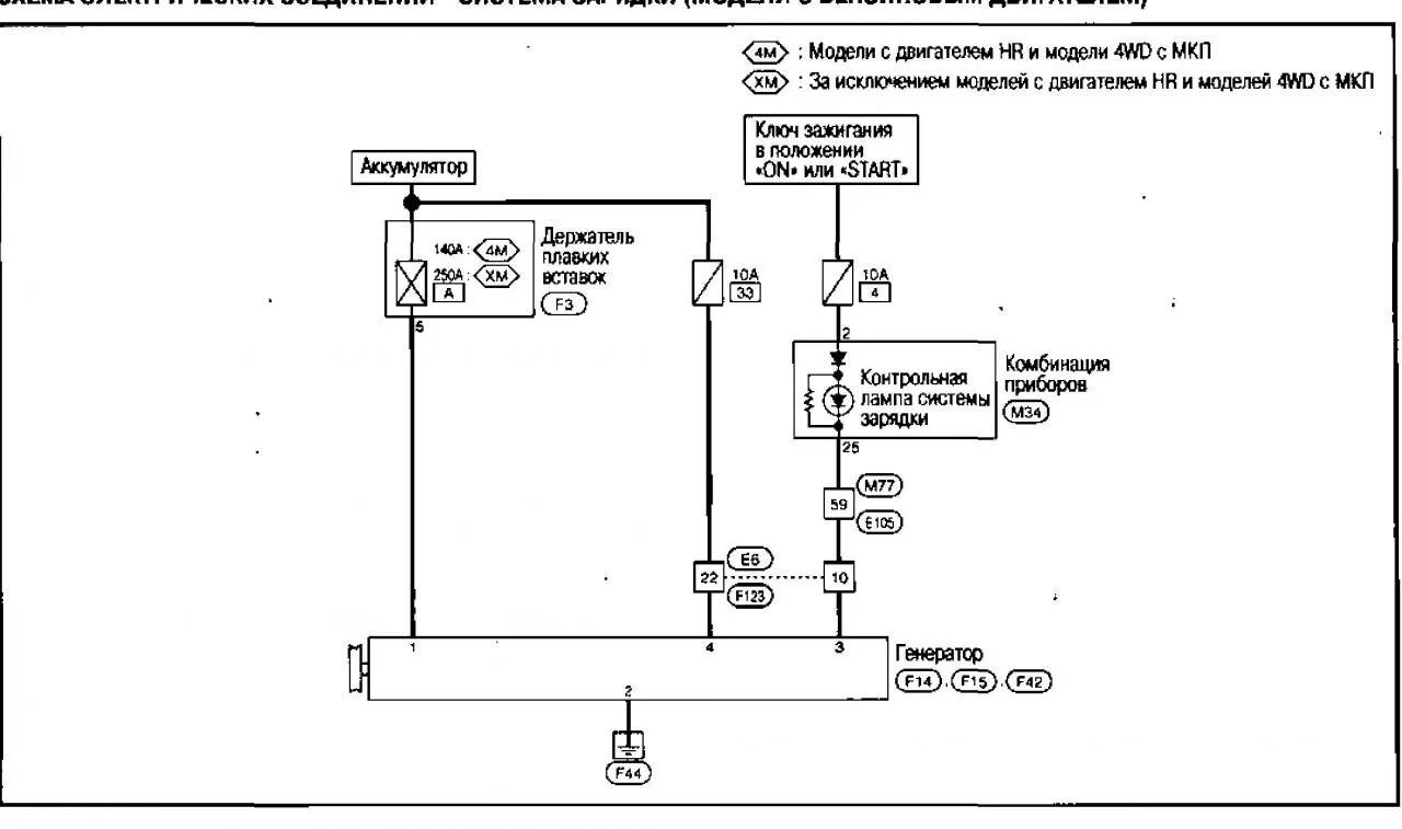
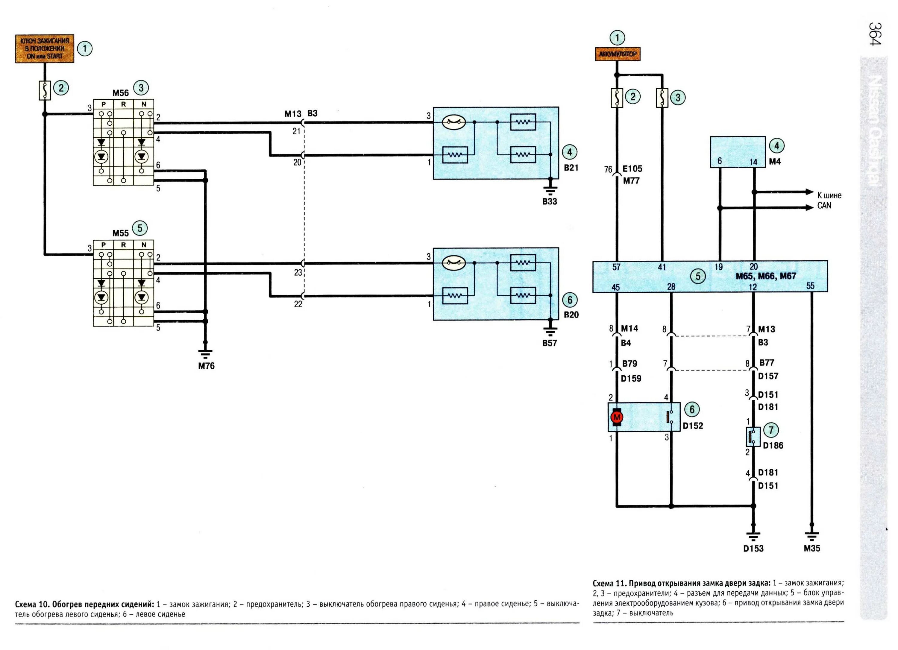
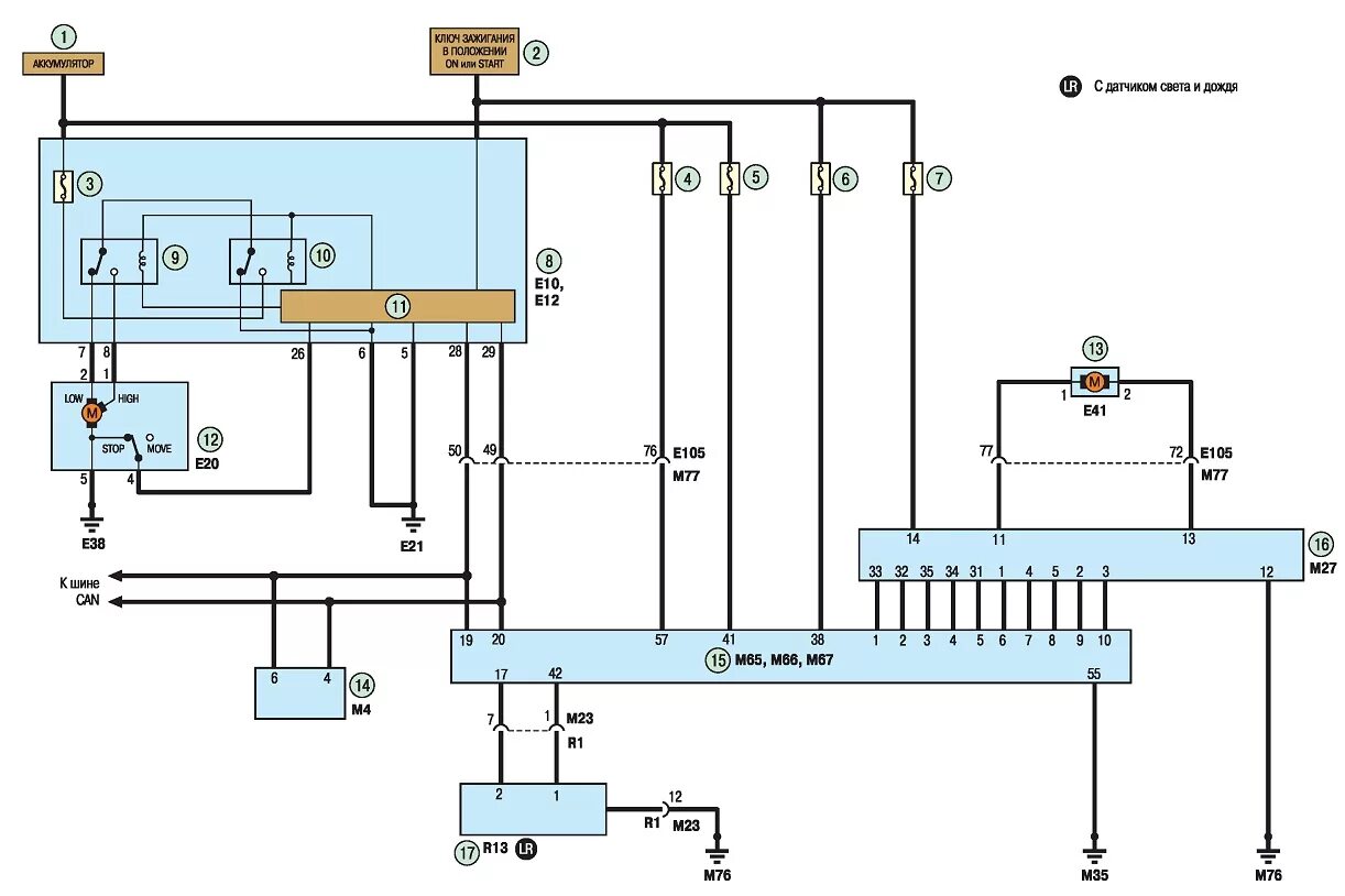
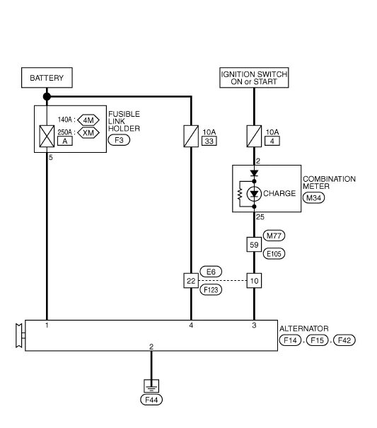
Схема генератора кашкай