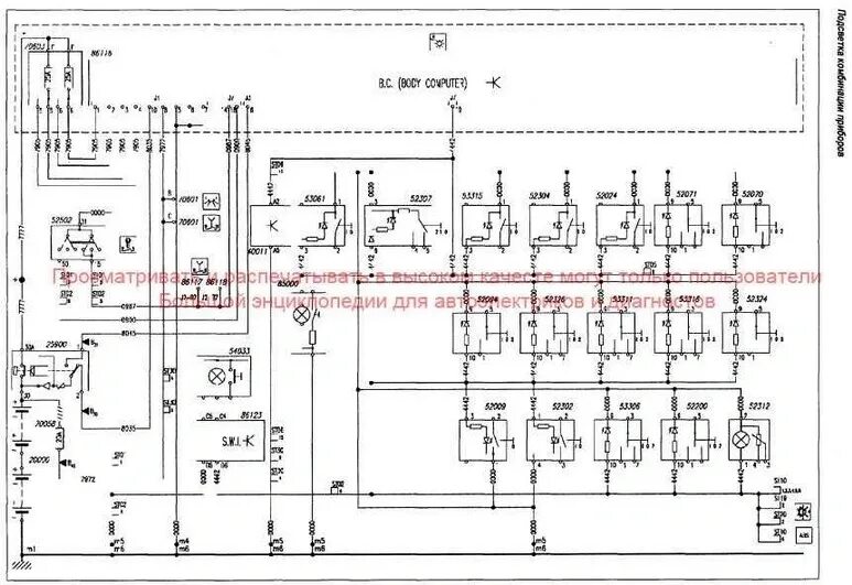
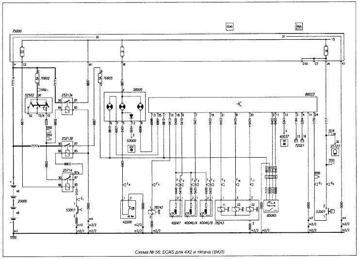
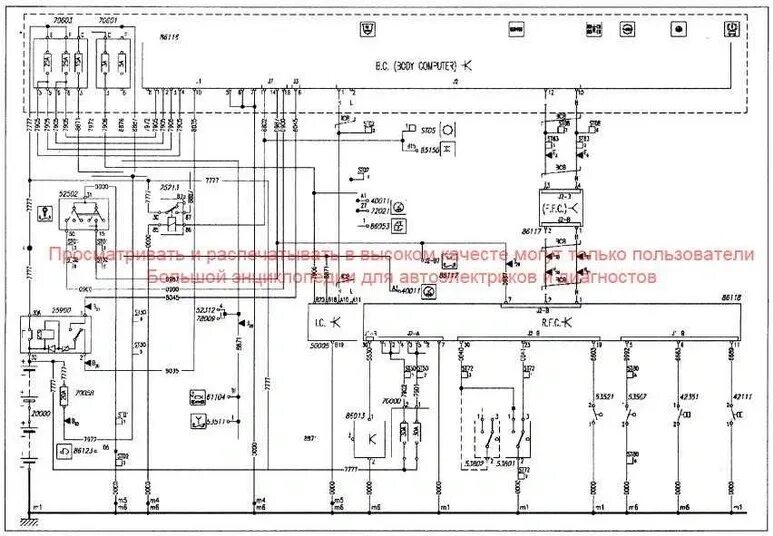
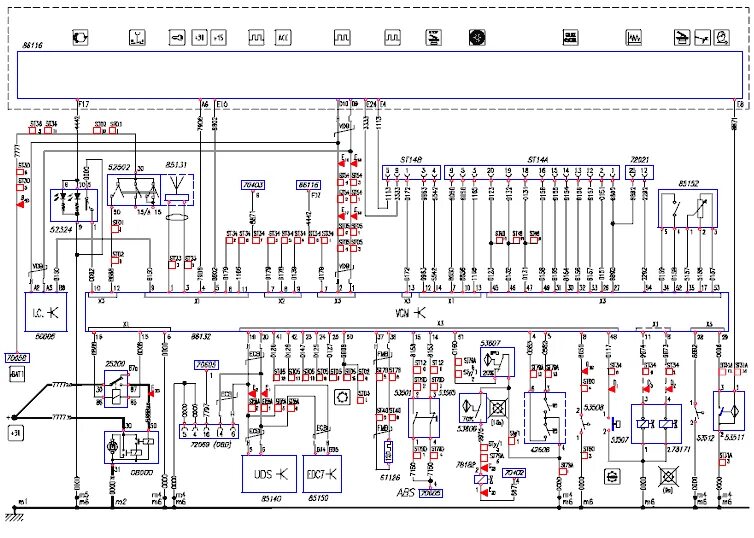
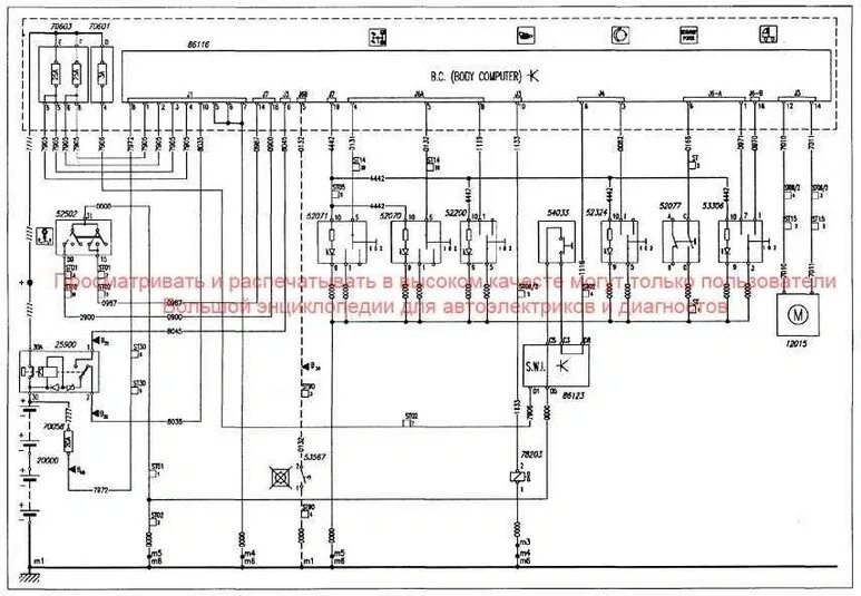
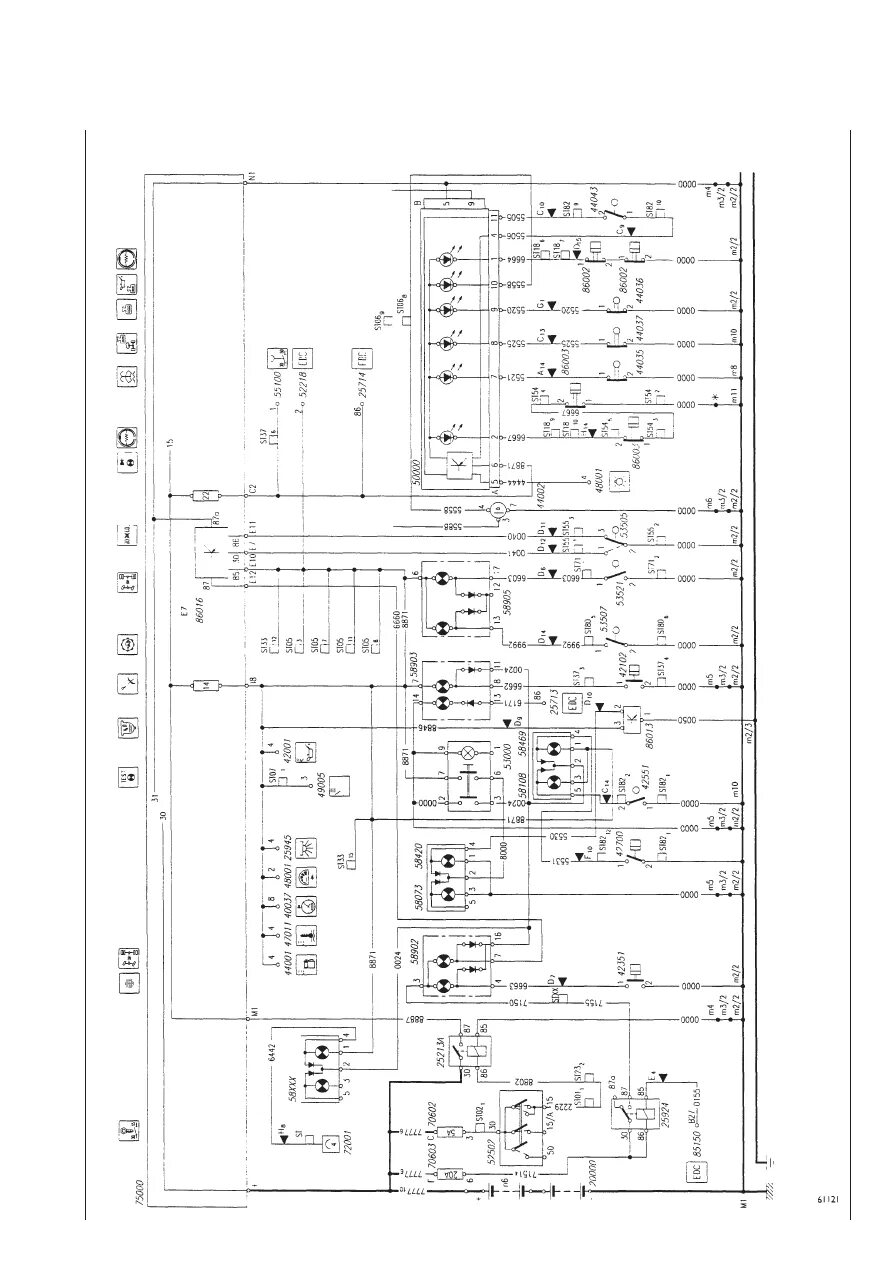
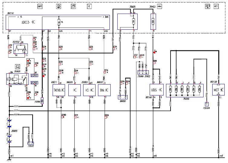
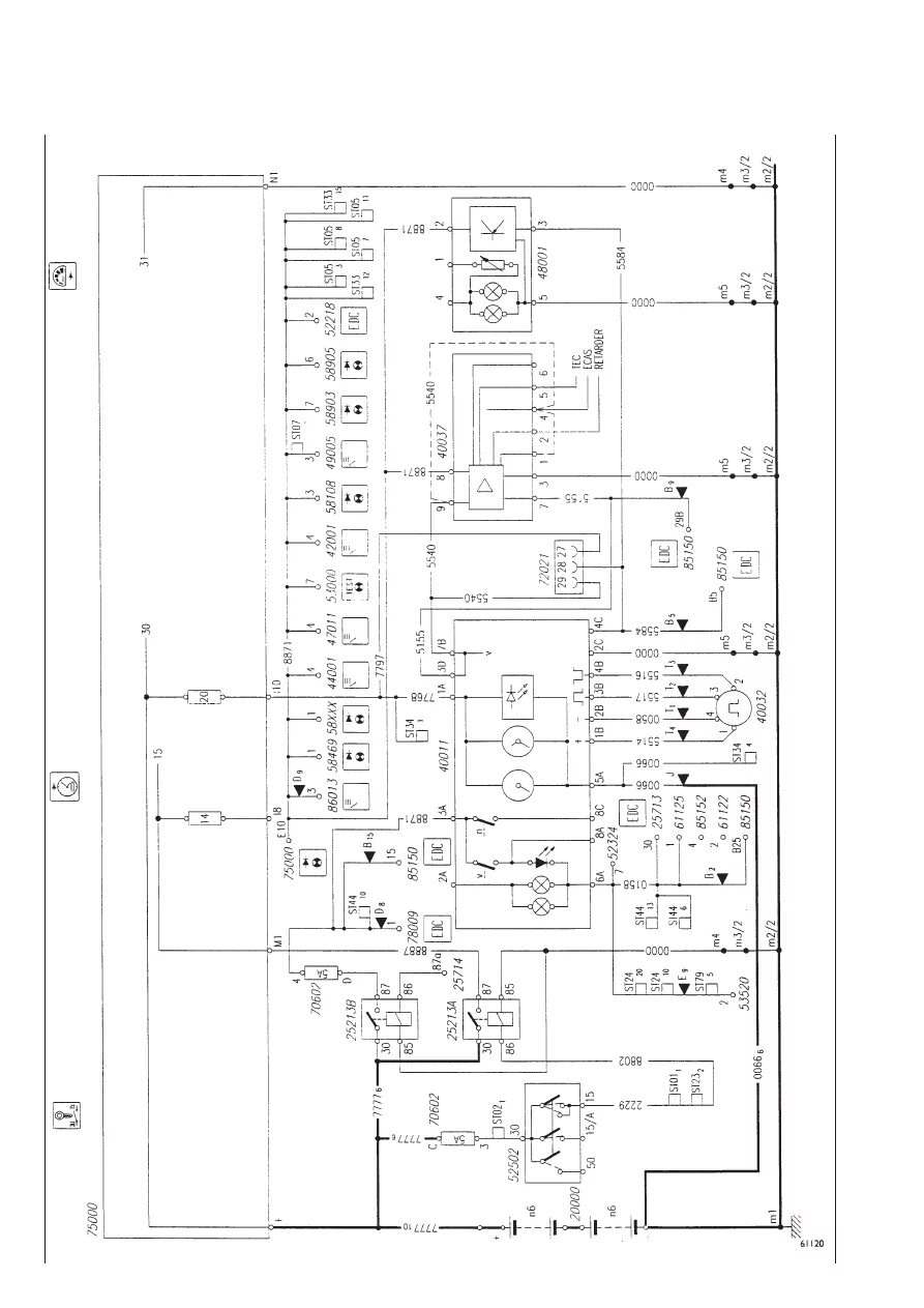
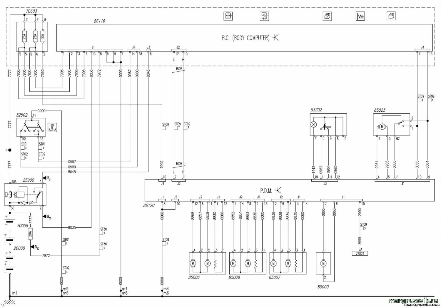
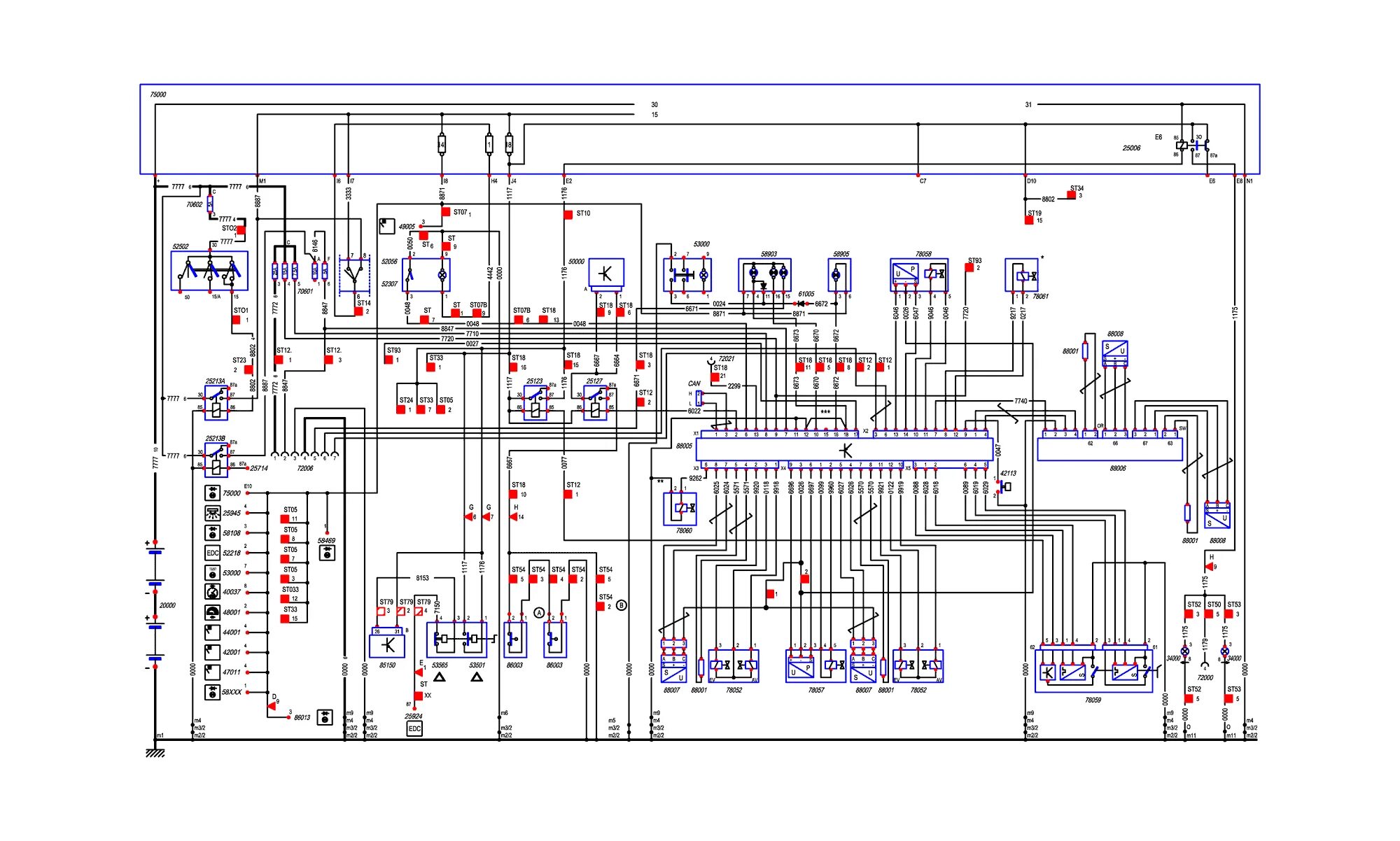
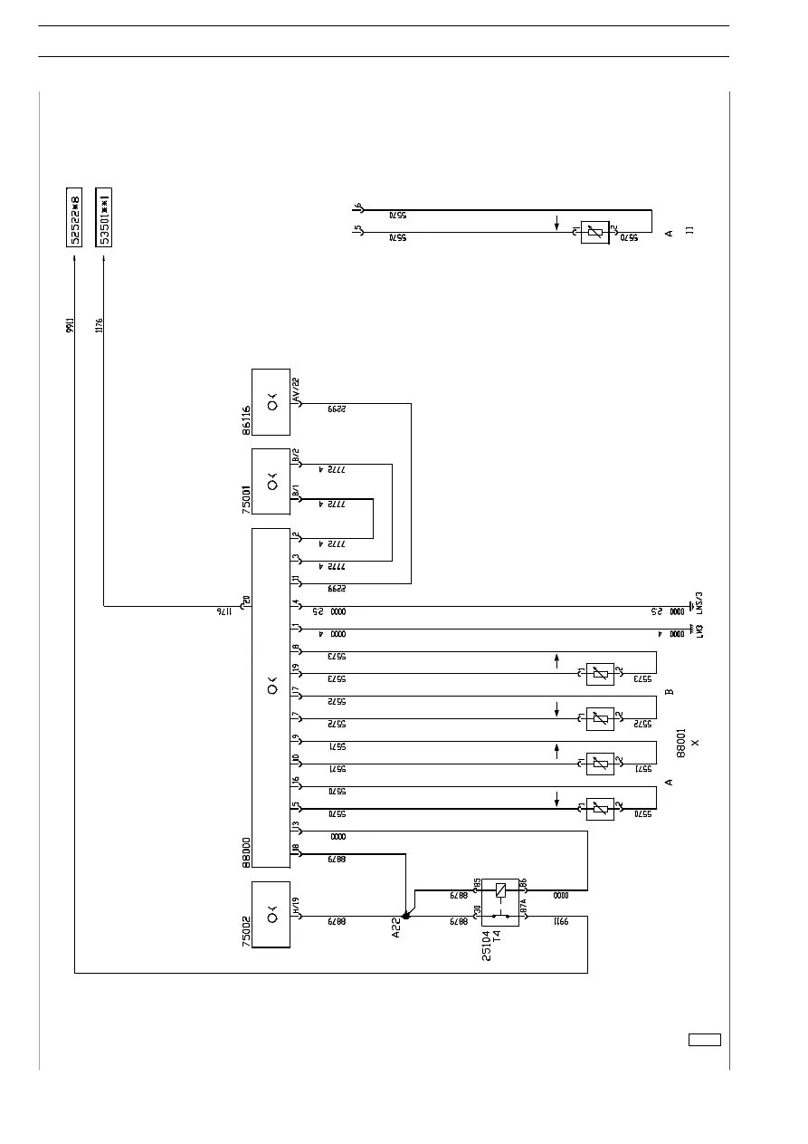
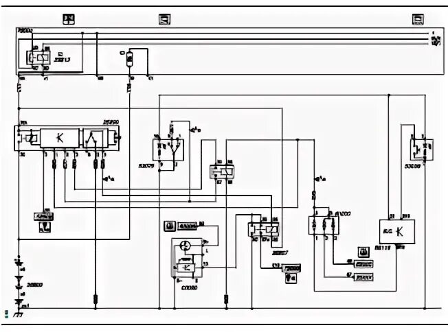
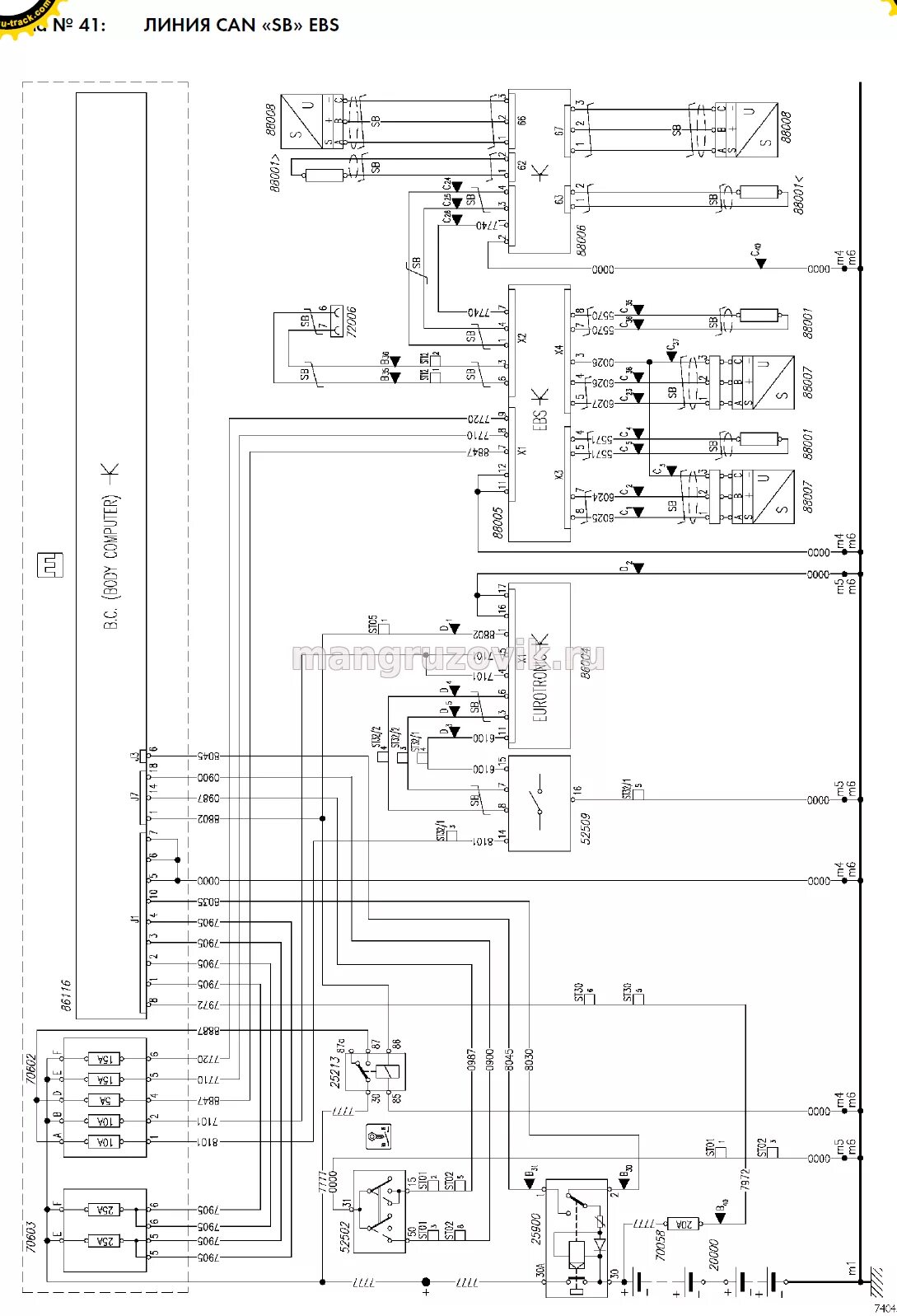
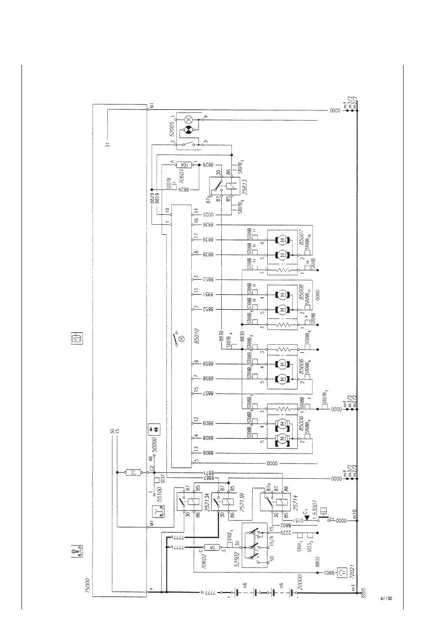
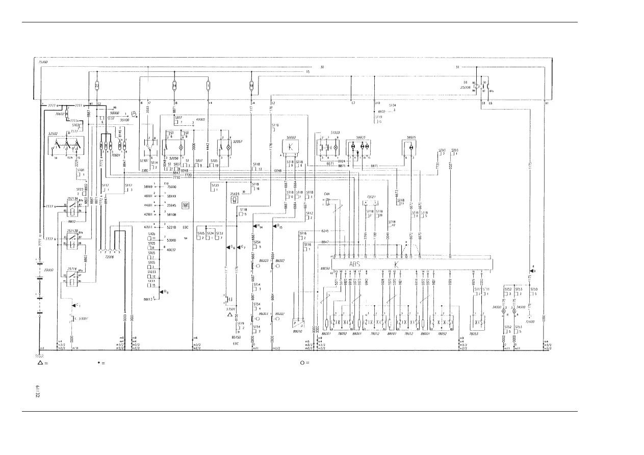
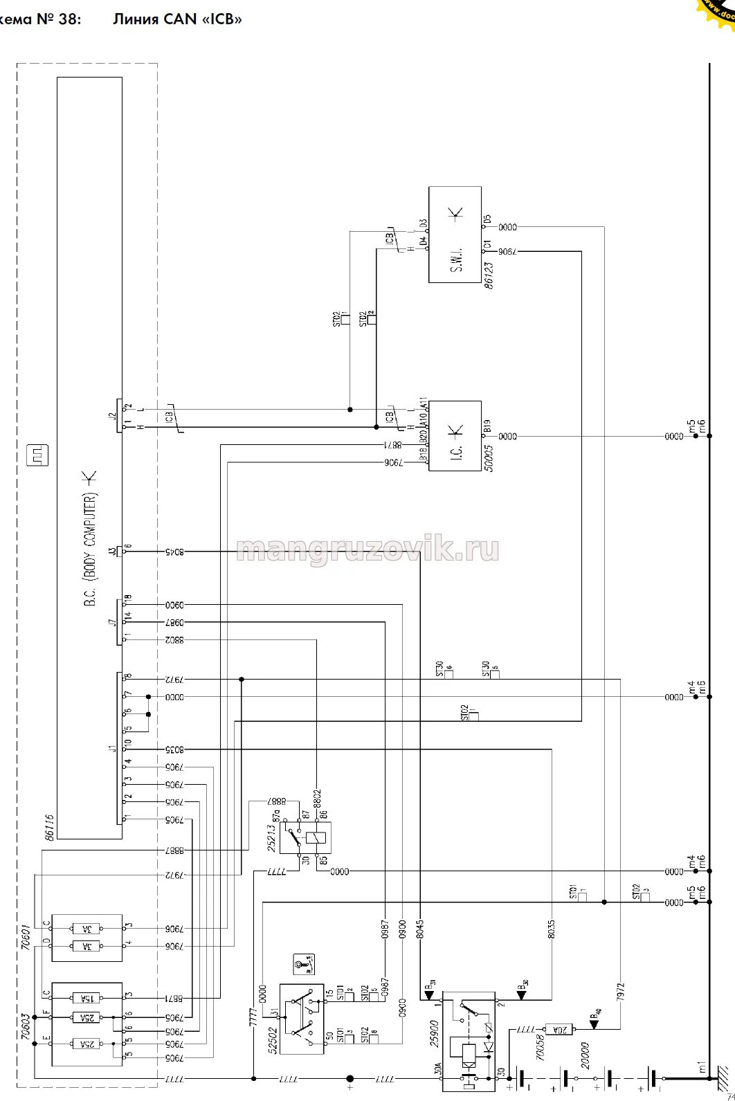
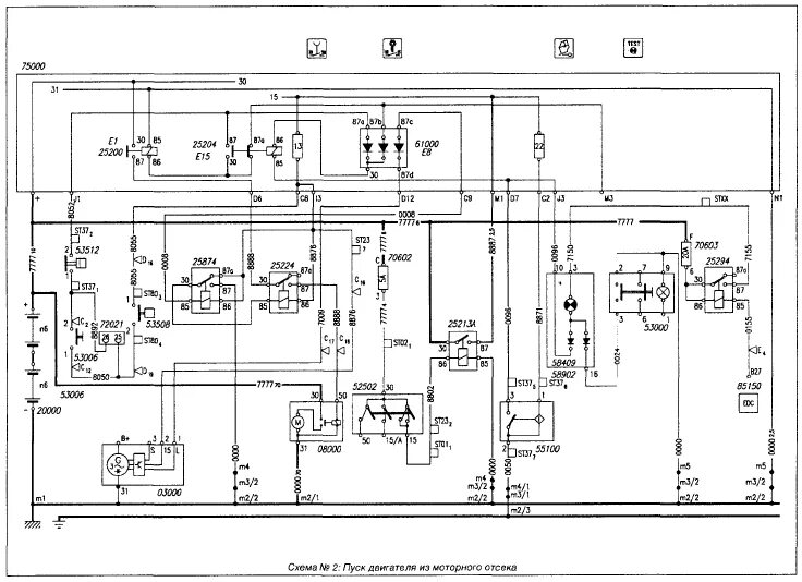
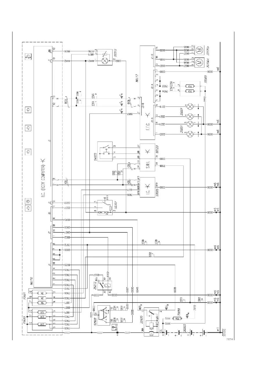
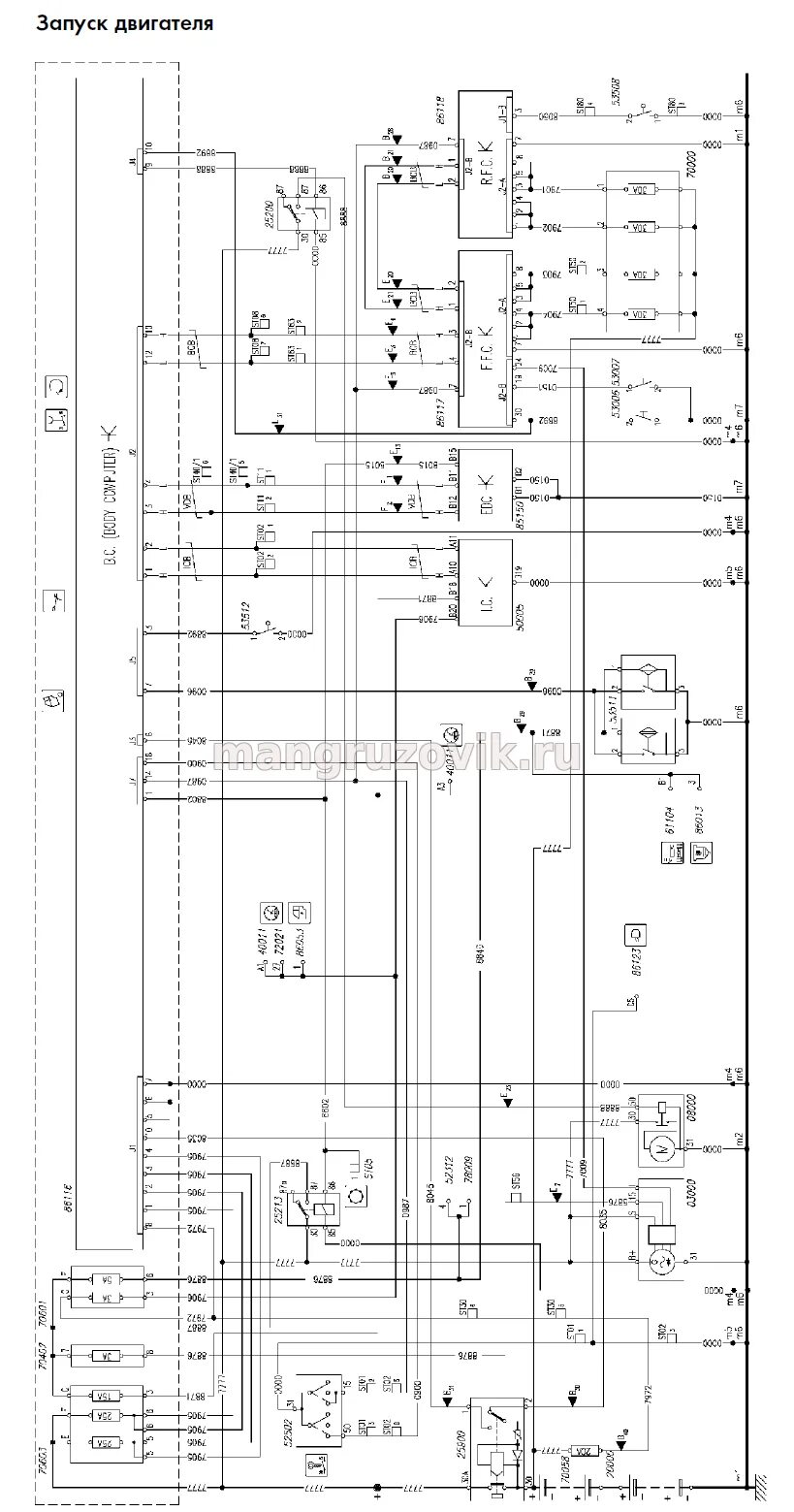
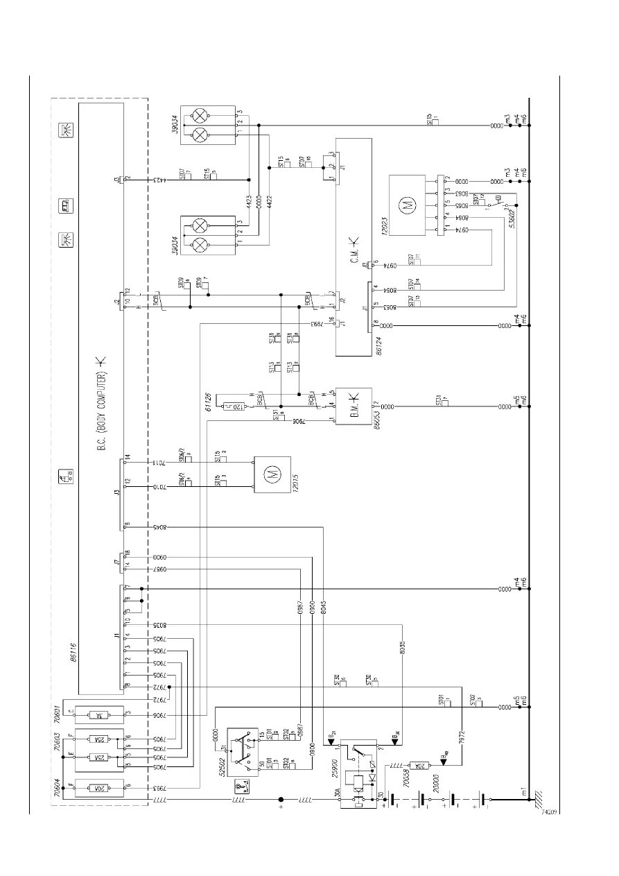
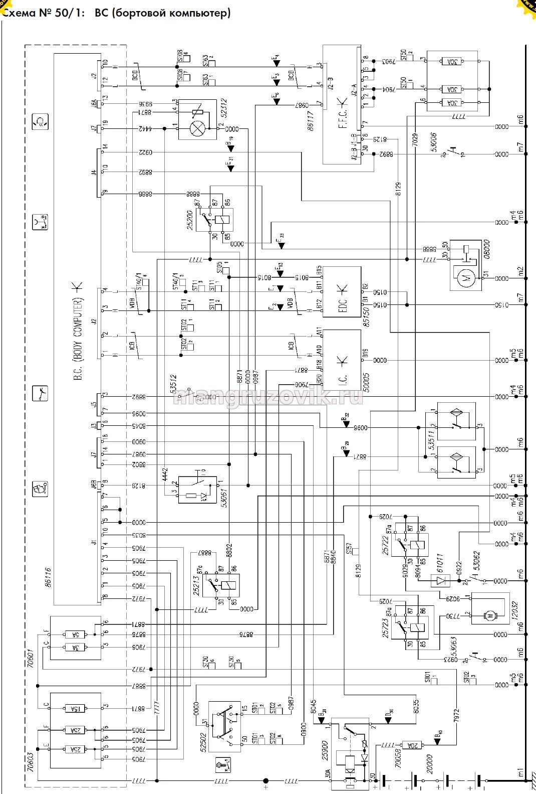
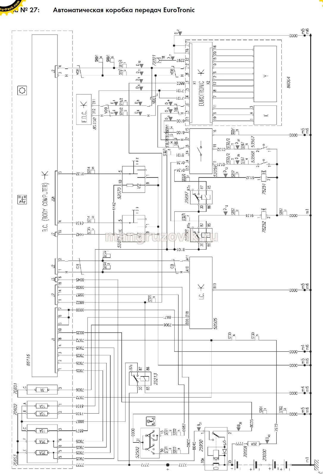
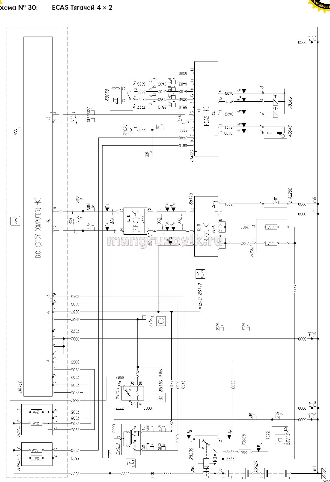
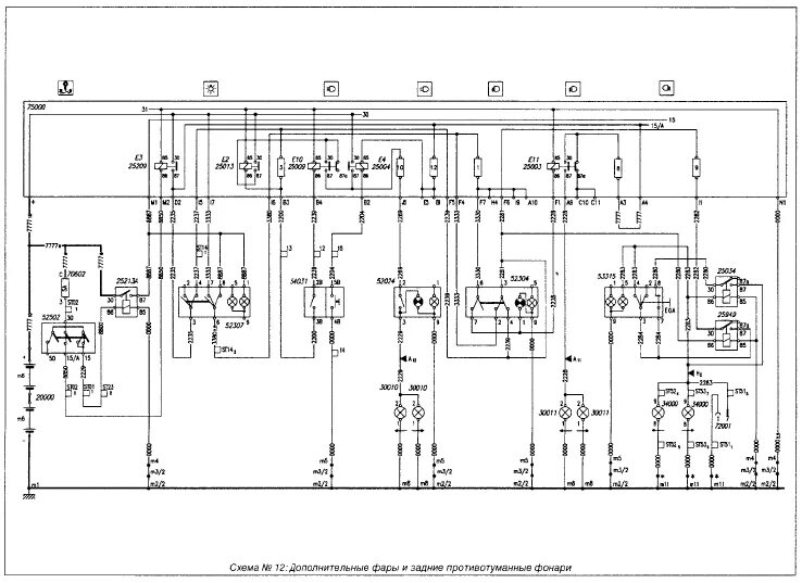
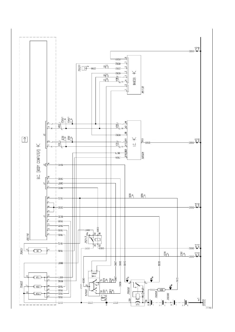
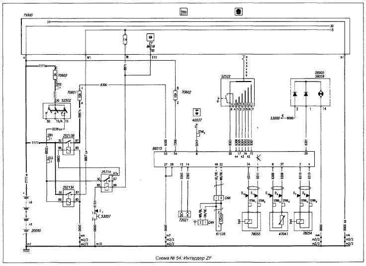
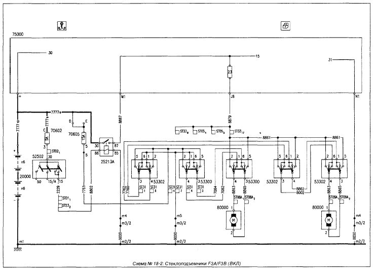
Схема iveco