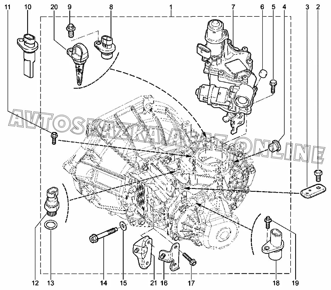
Схема коробки гранта