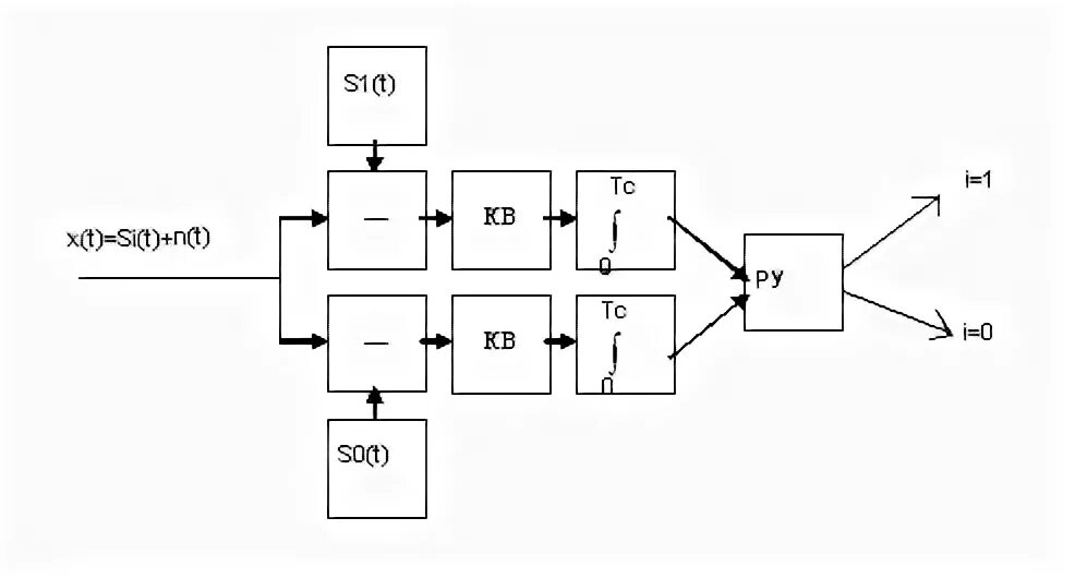
Схема котельникова