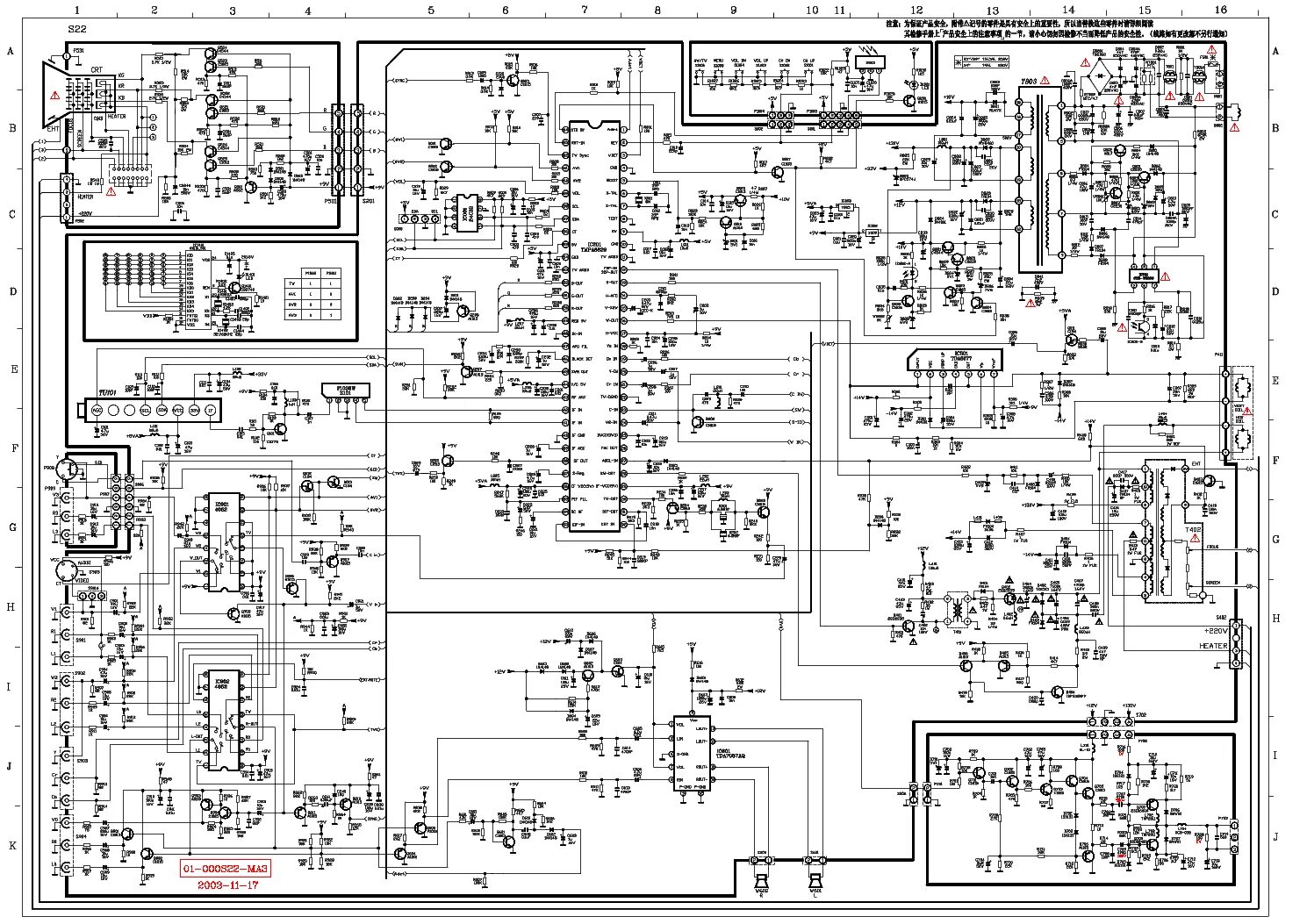
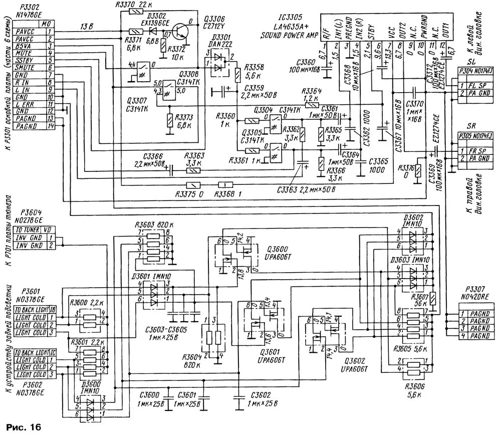
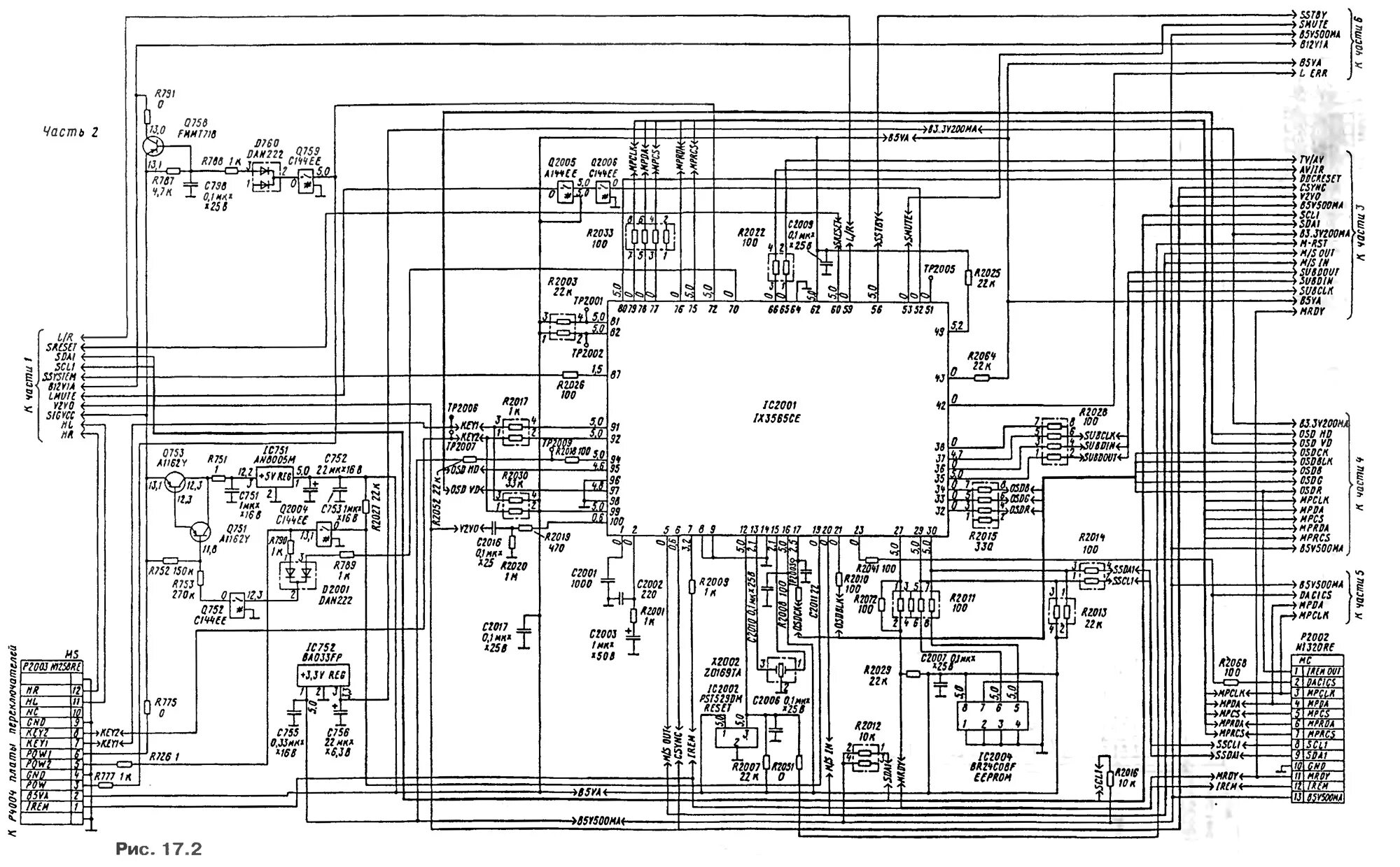
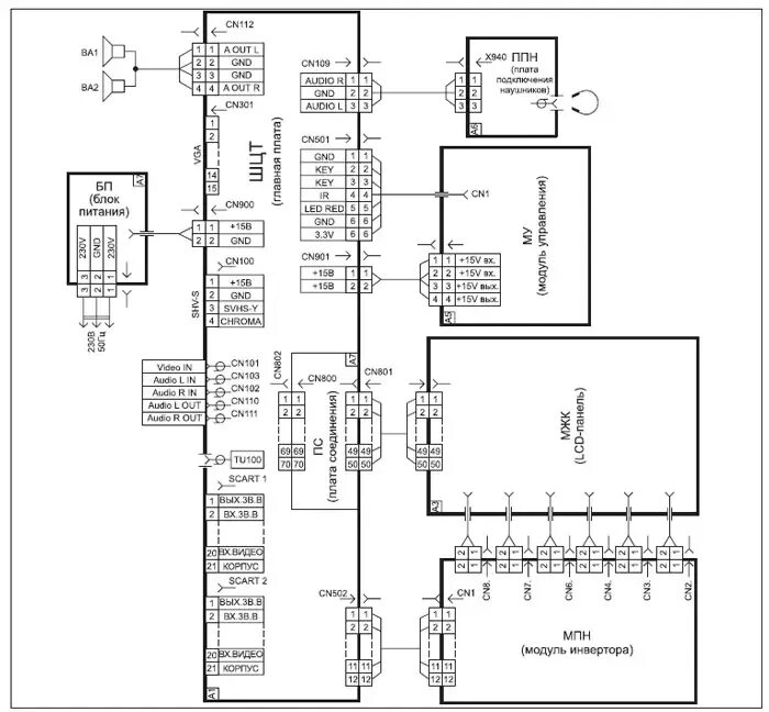
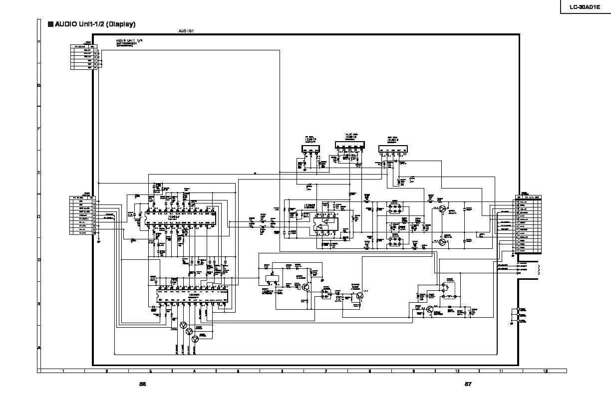
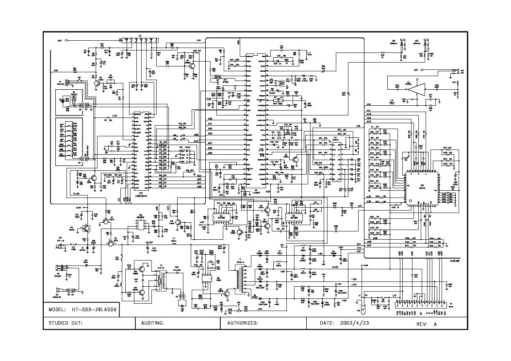
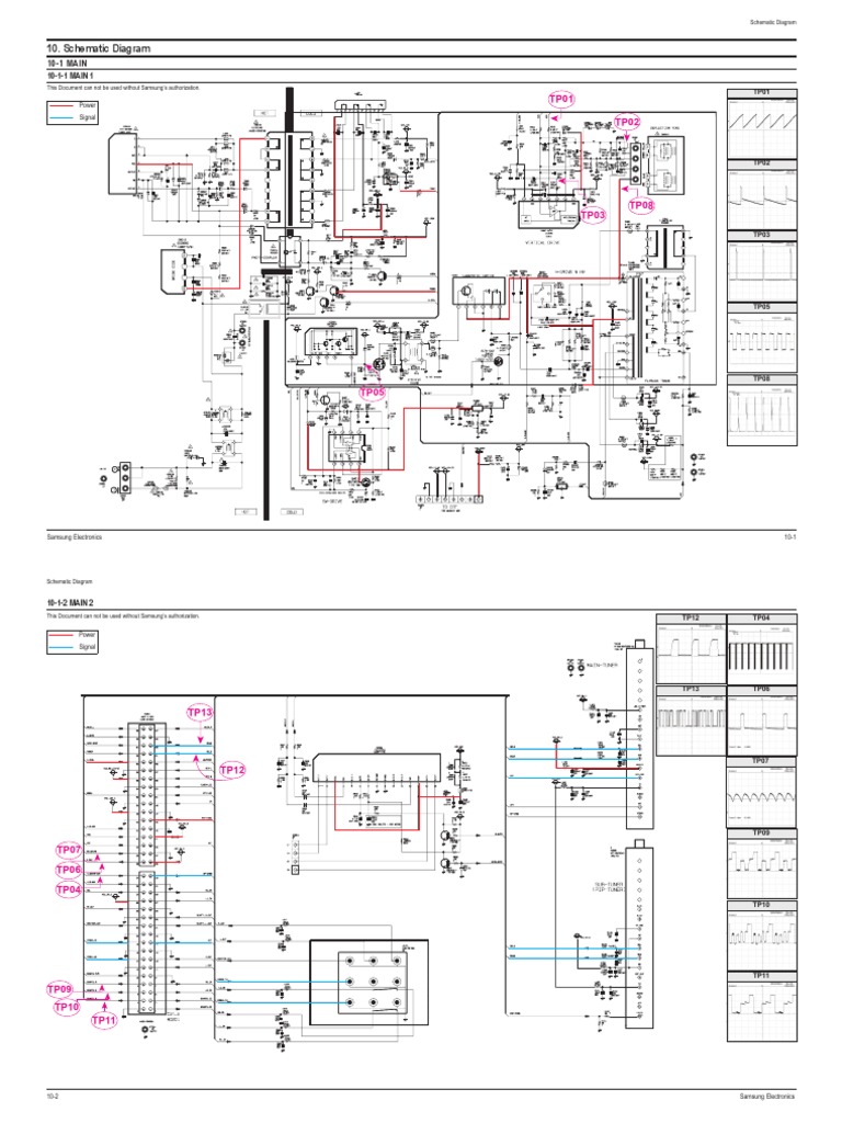
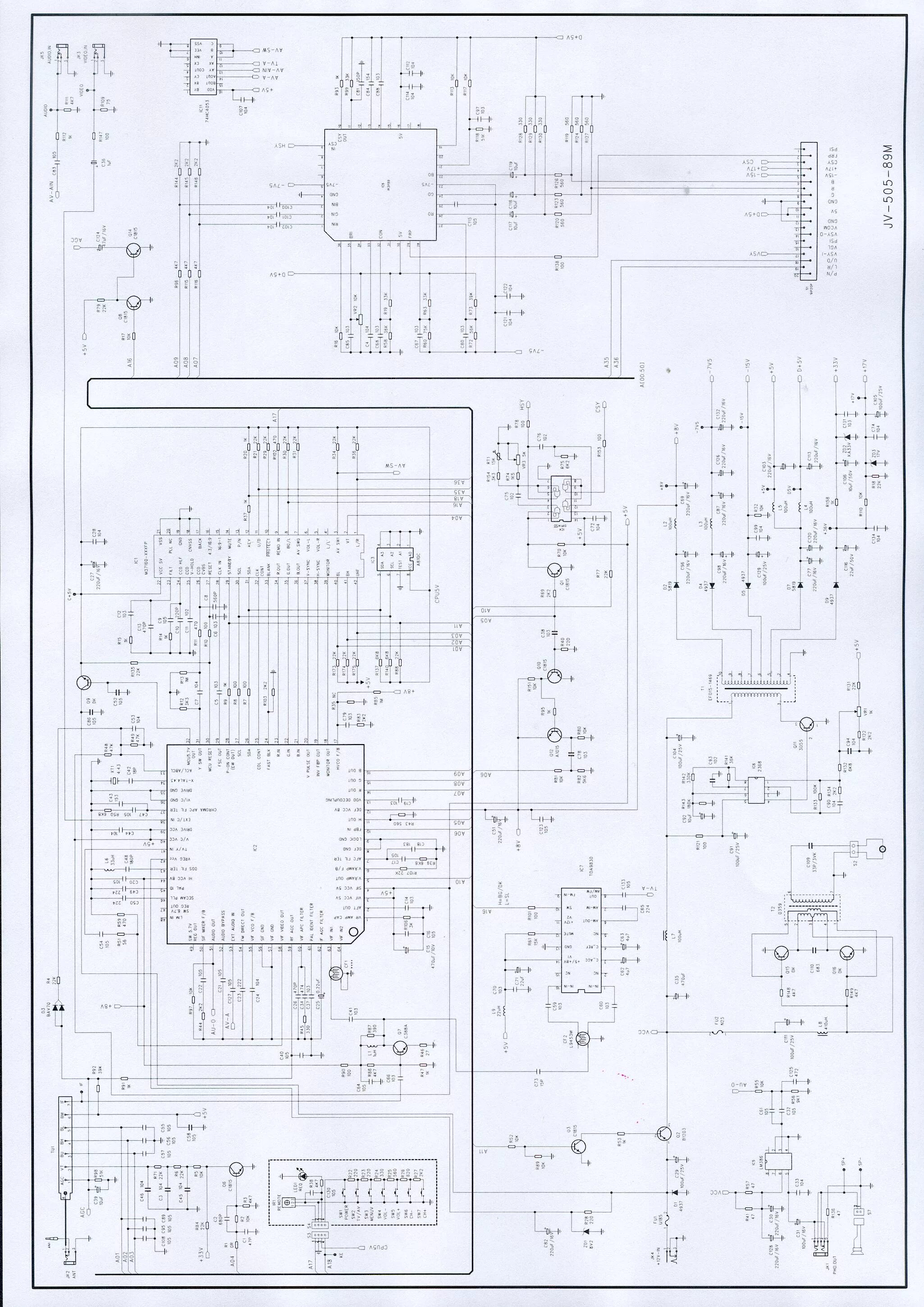
Схема lcd телевизора