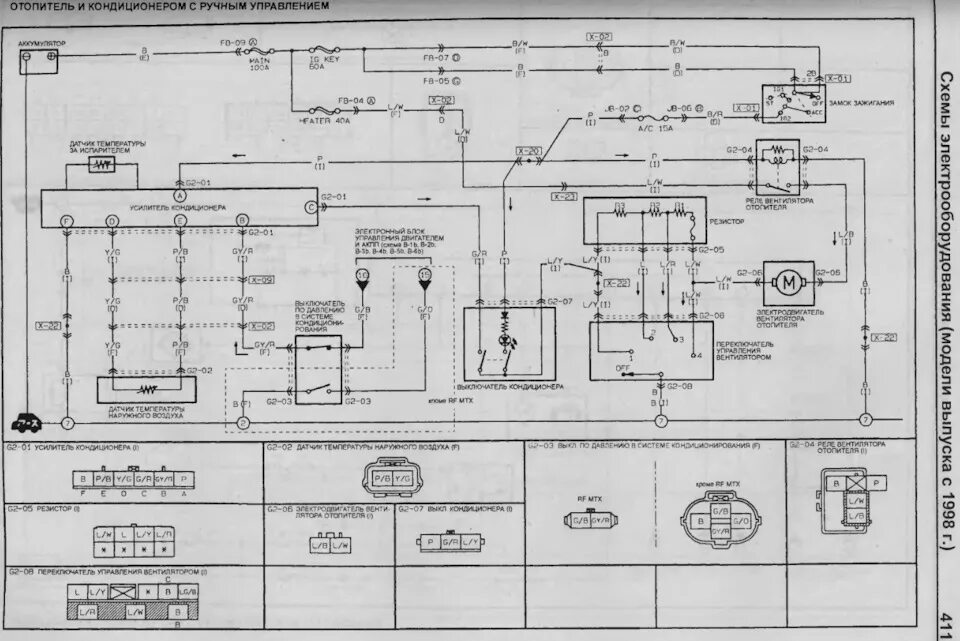
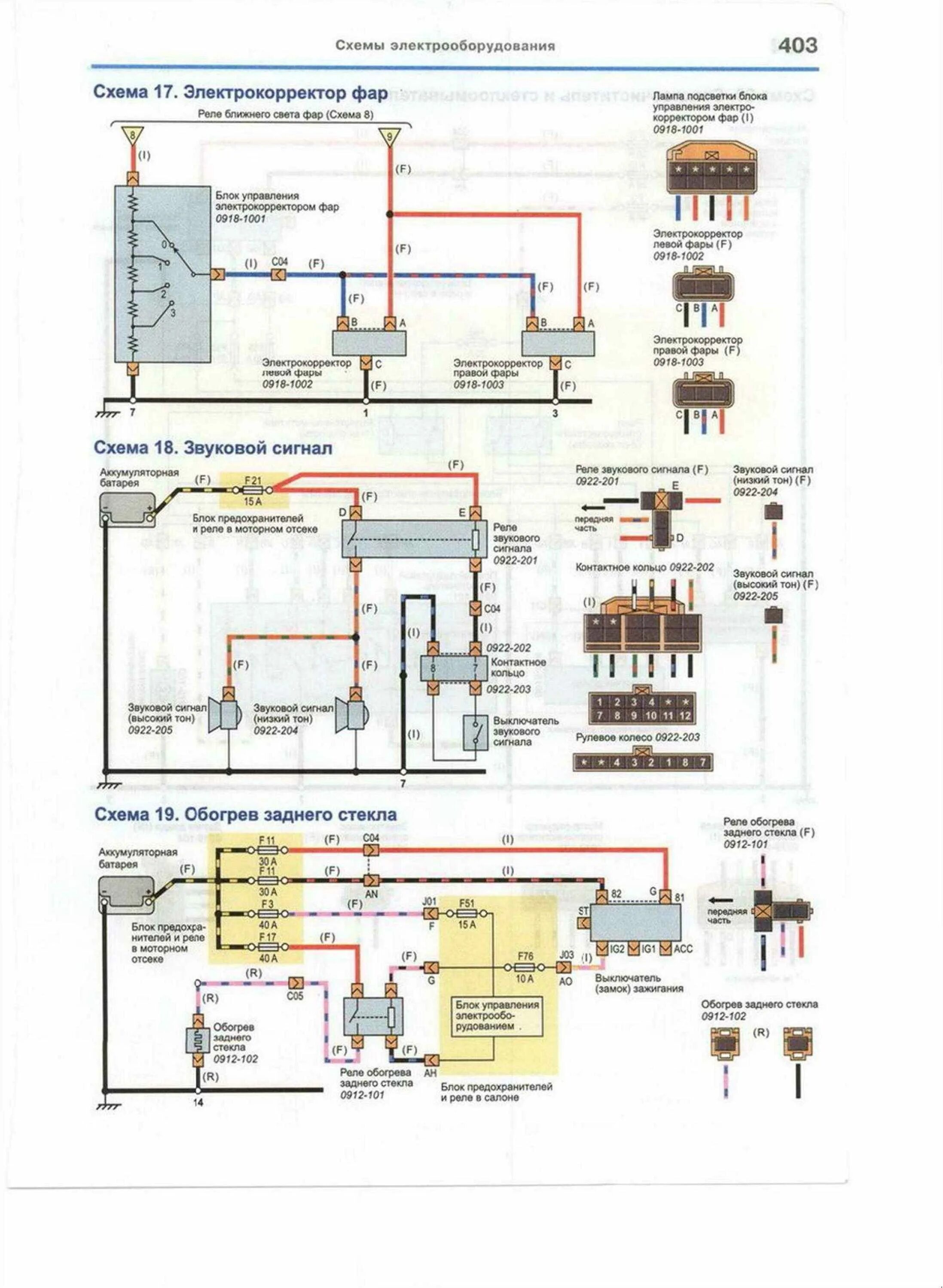
Схема мазда 3 1.6