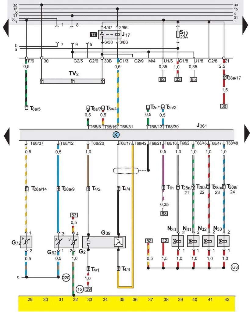
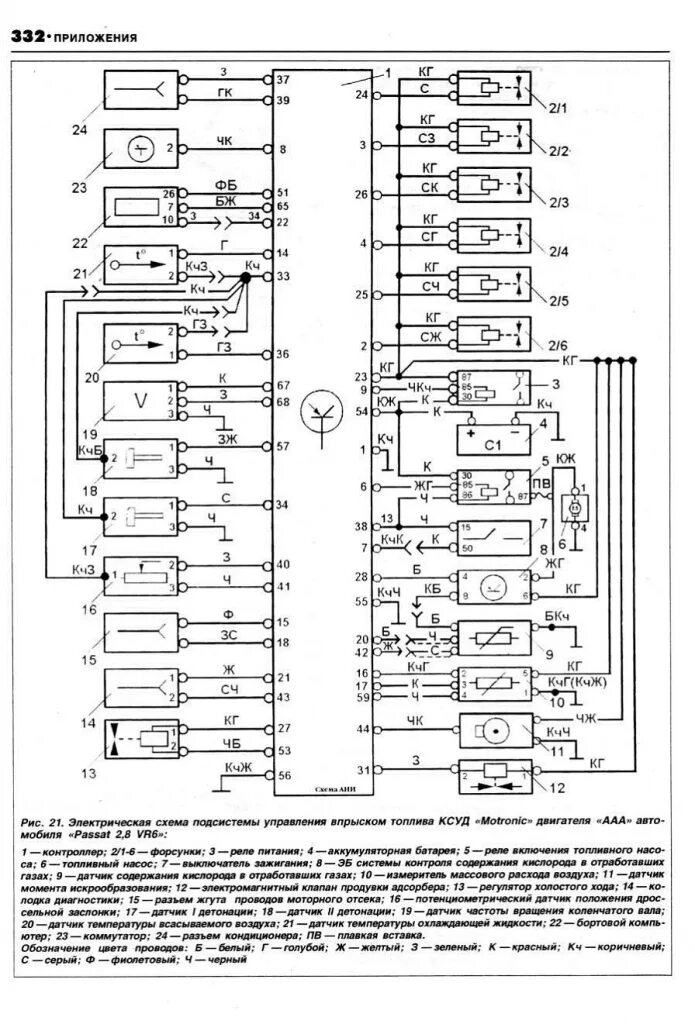
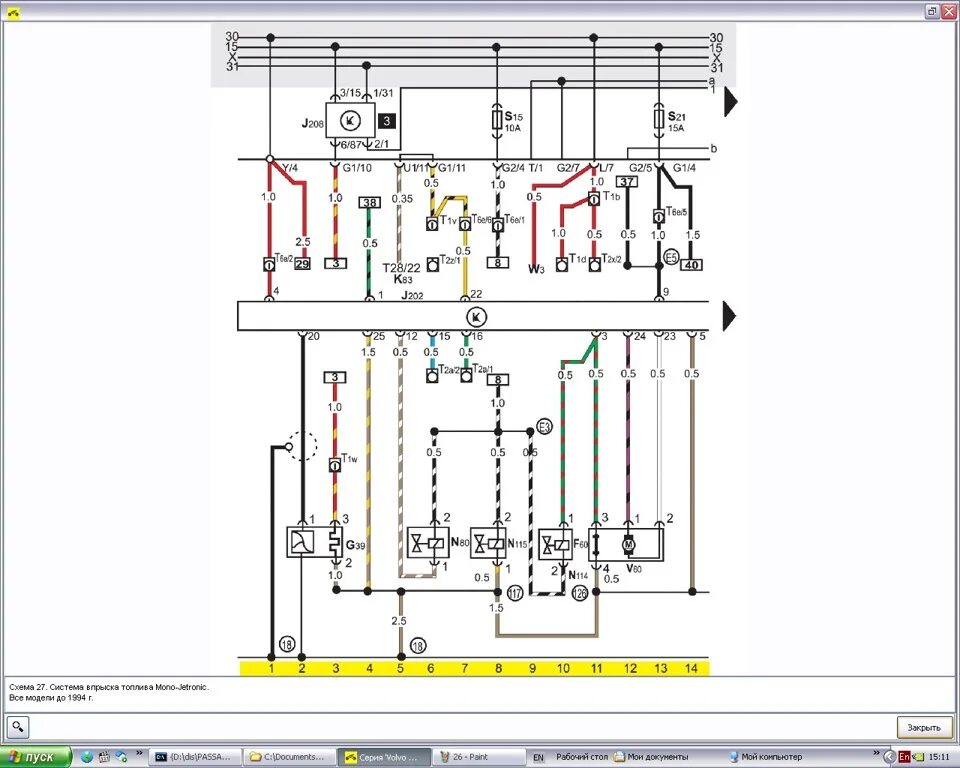
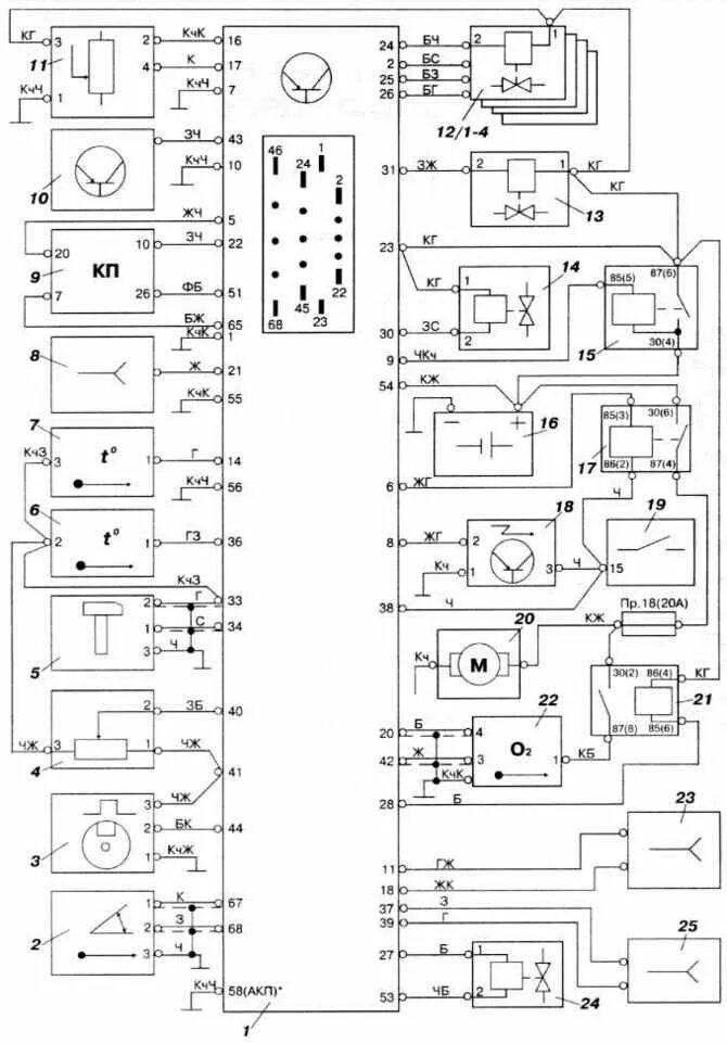
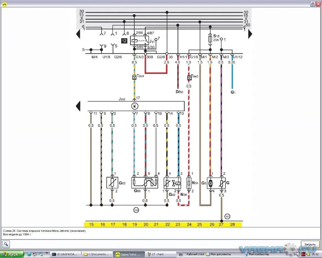
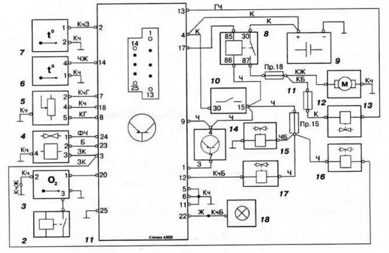
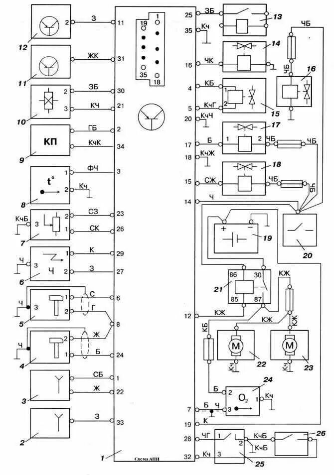
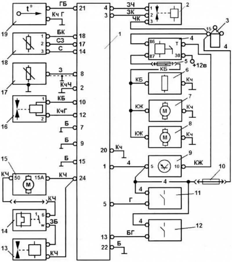
Схема моно пассат б3