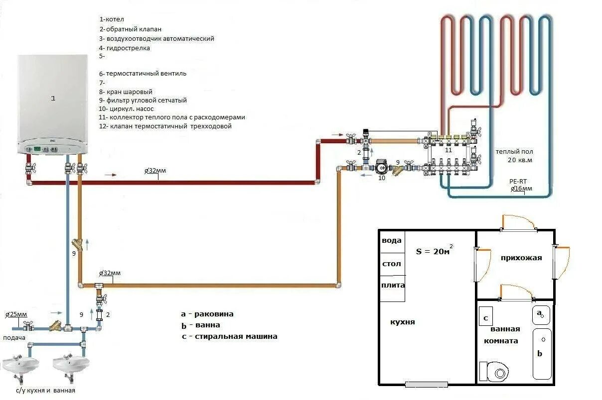
Схема обвязки котла теплым полом