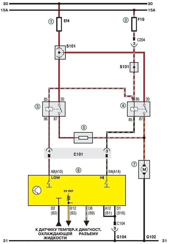
Схема охлаждения ланос