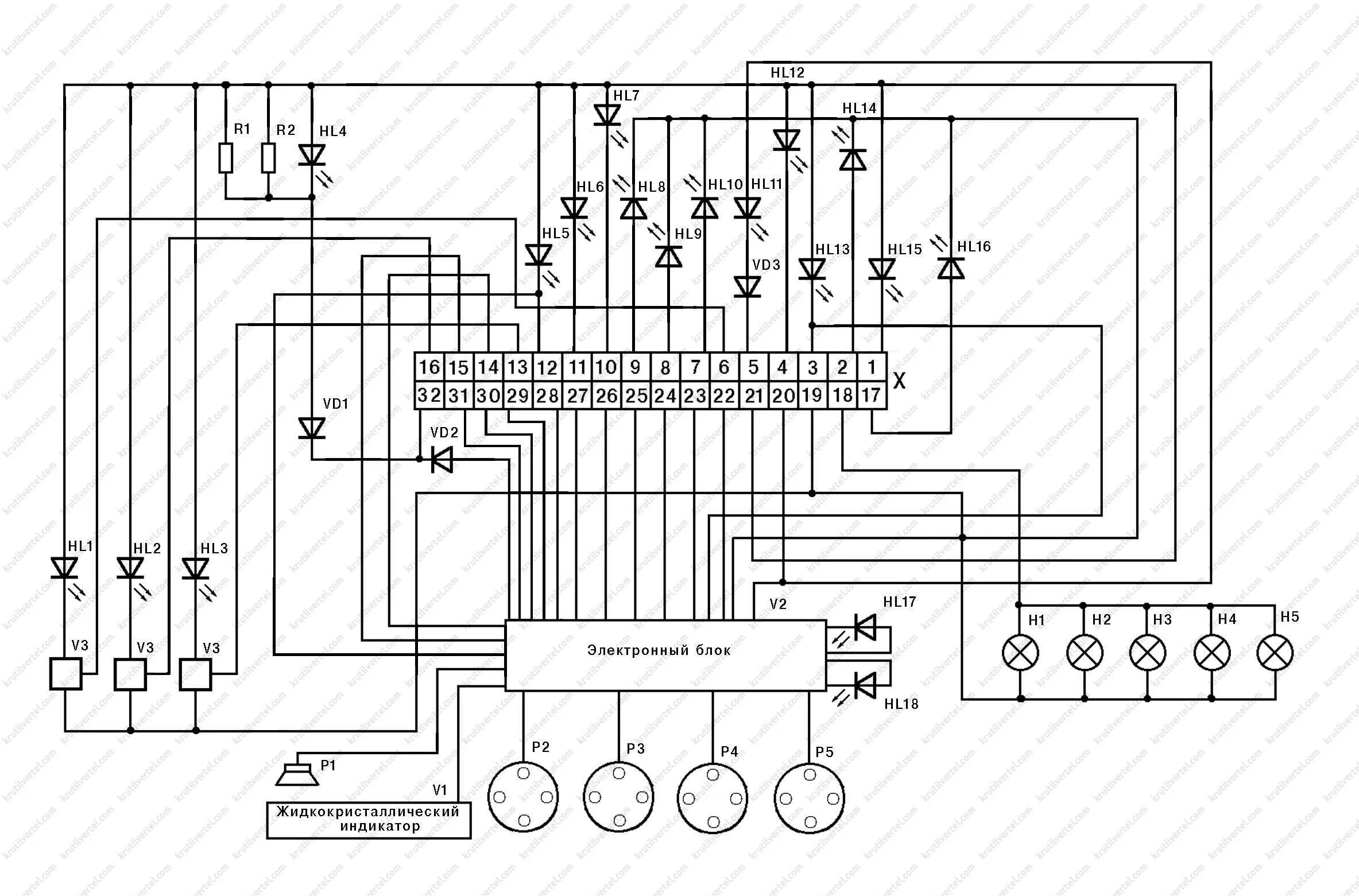
Схема панели приборов 2110