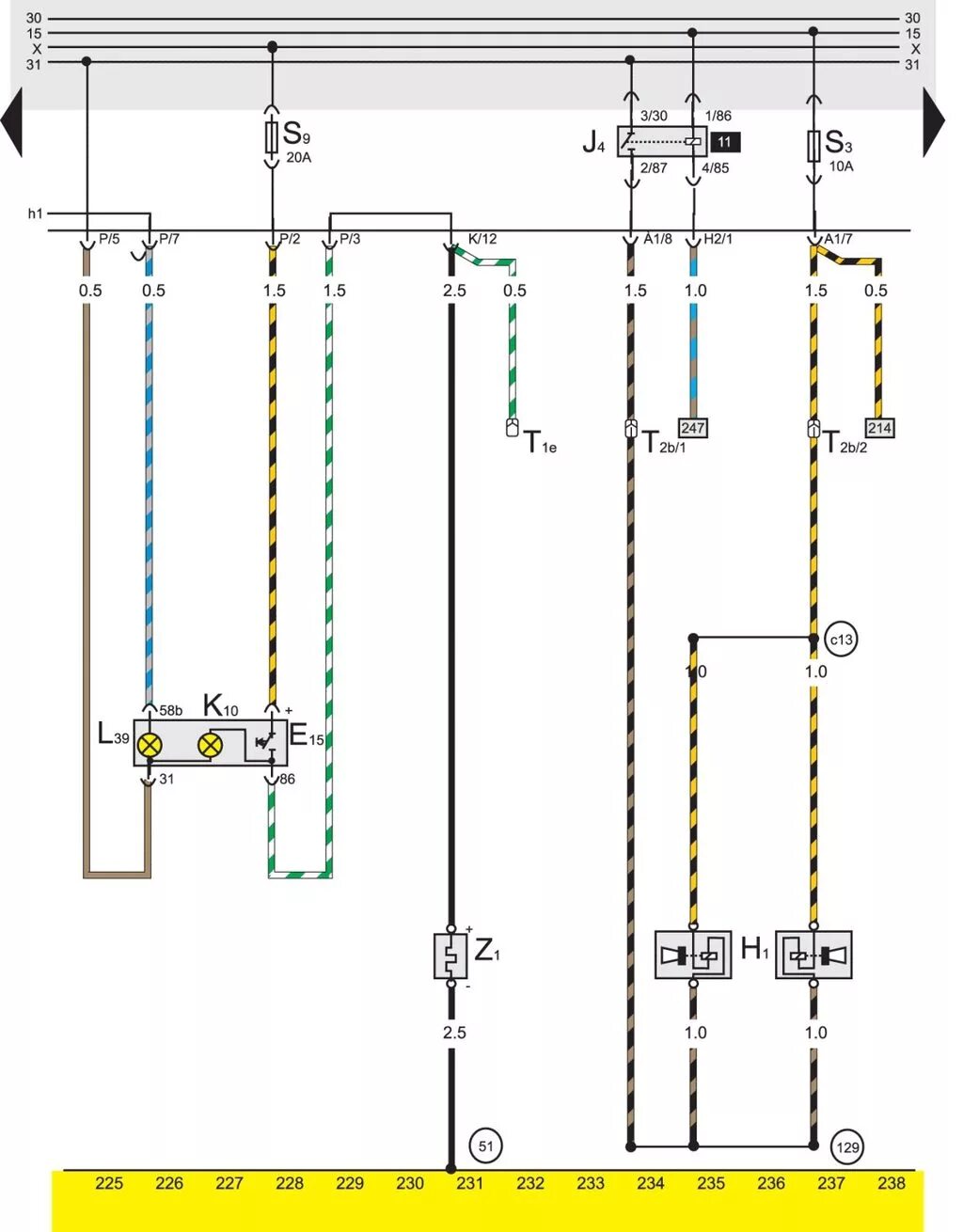
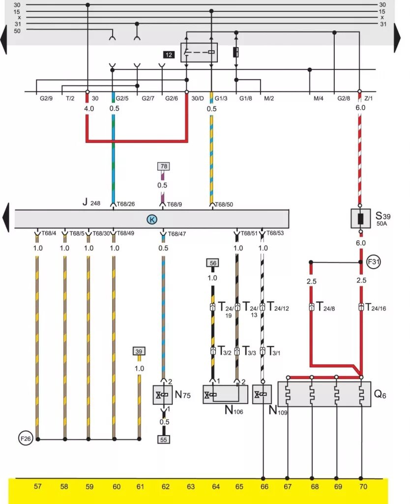
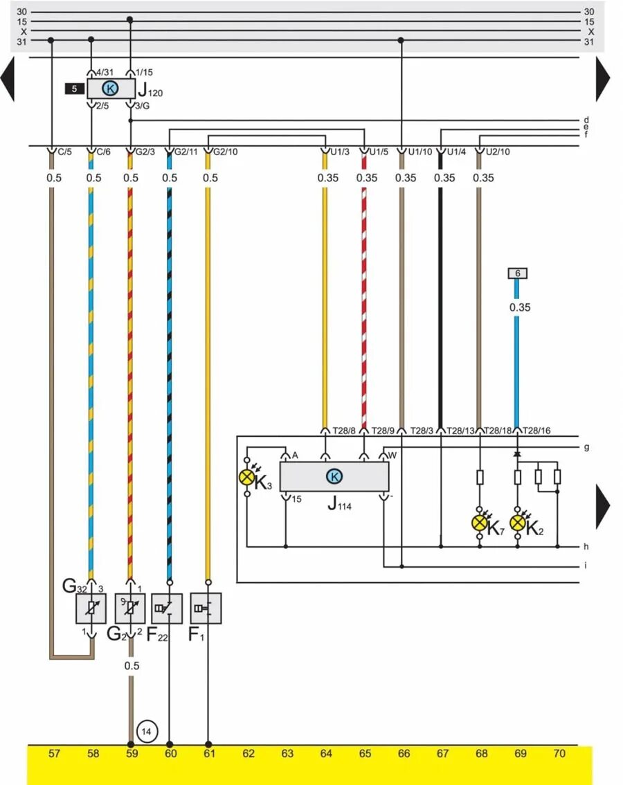
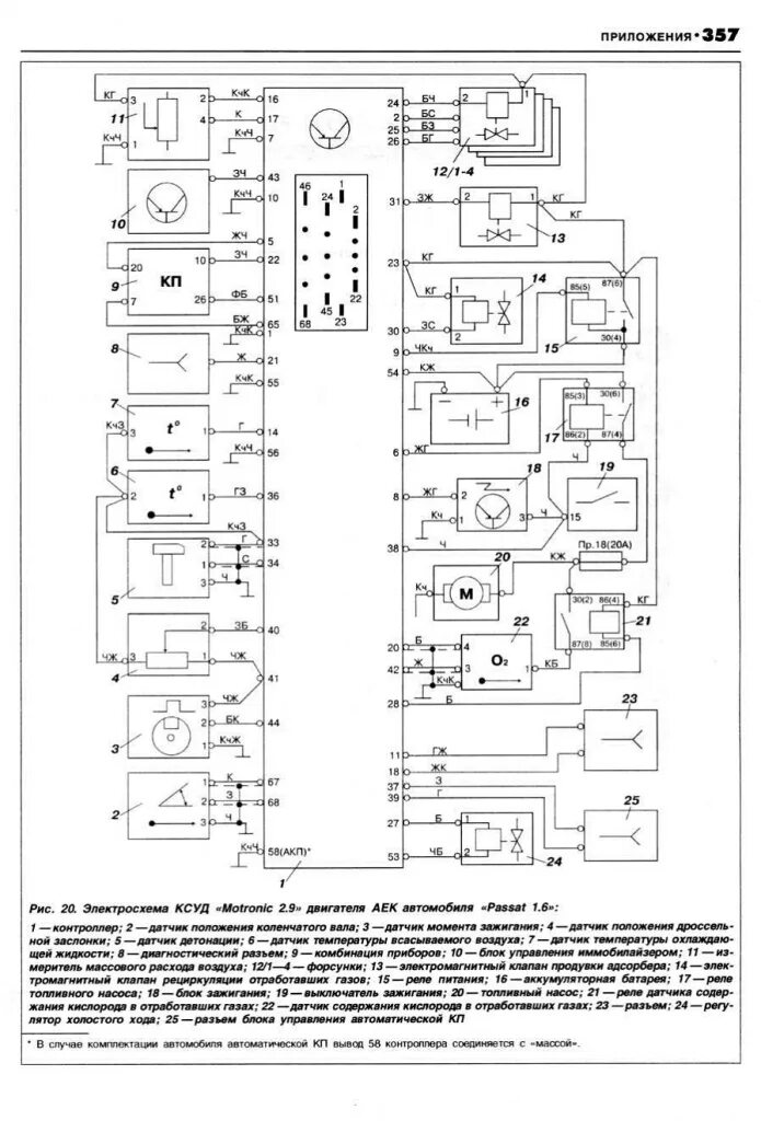
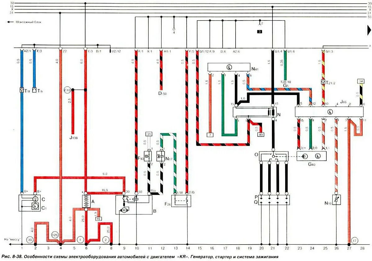
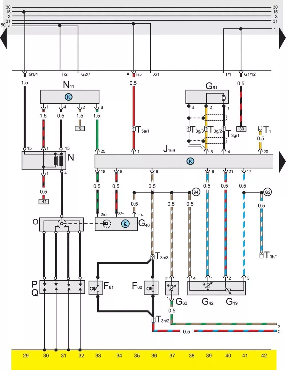
Схема пассат б3