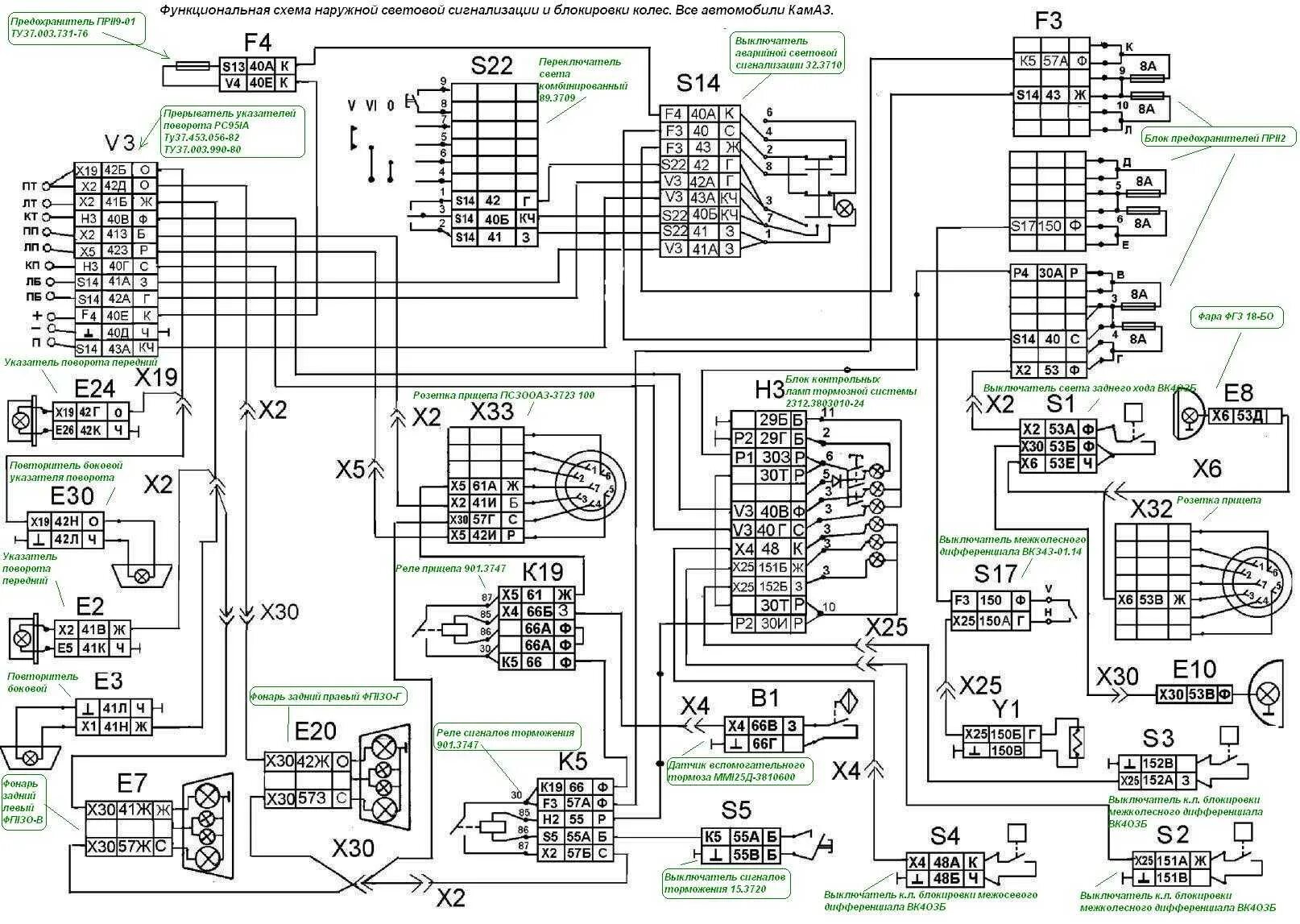
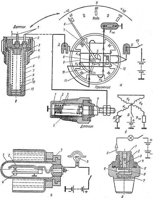
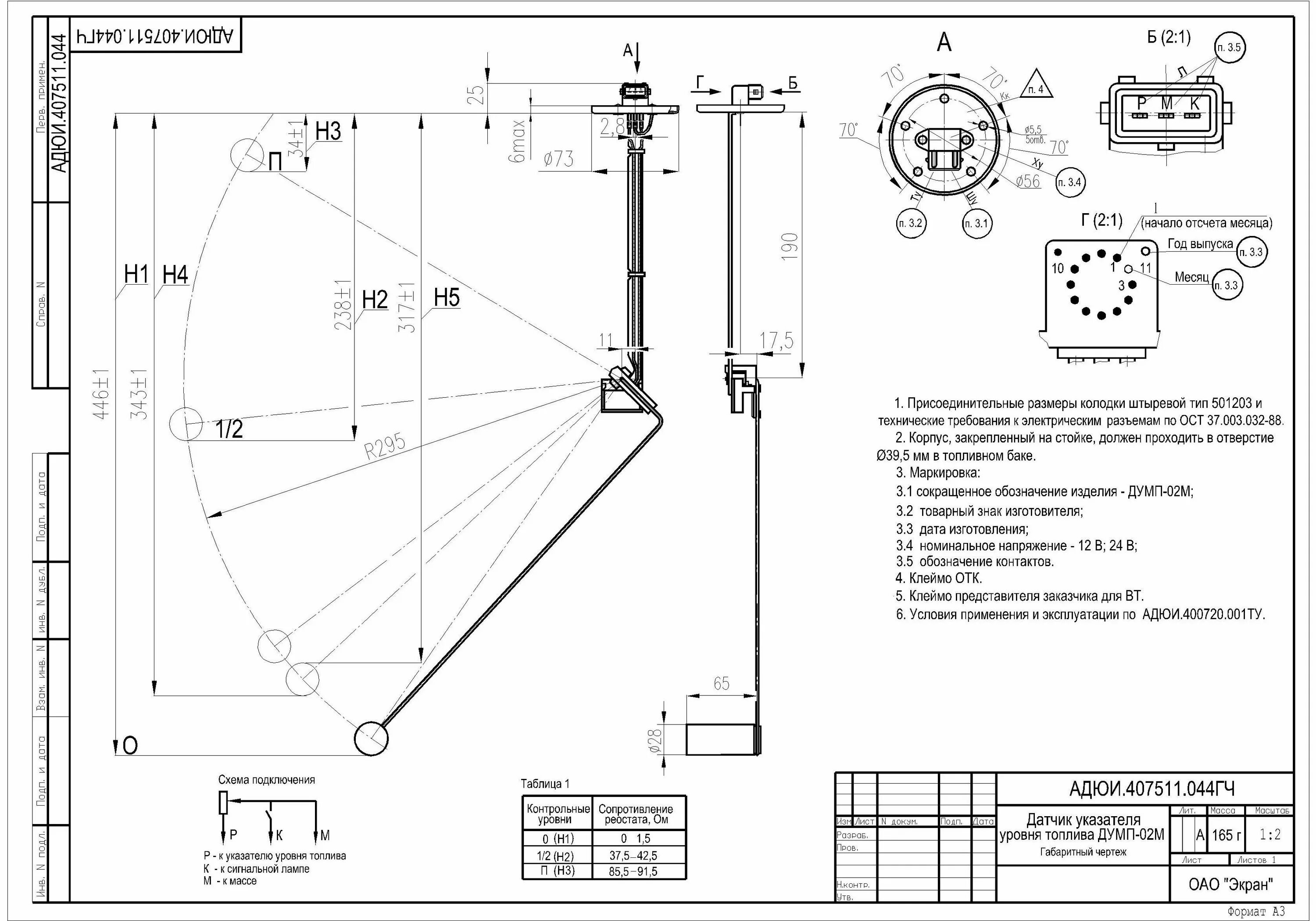
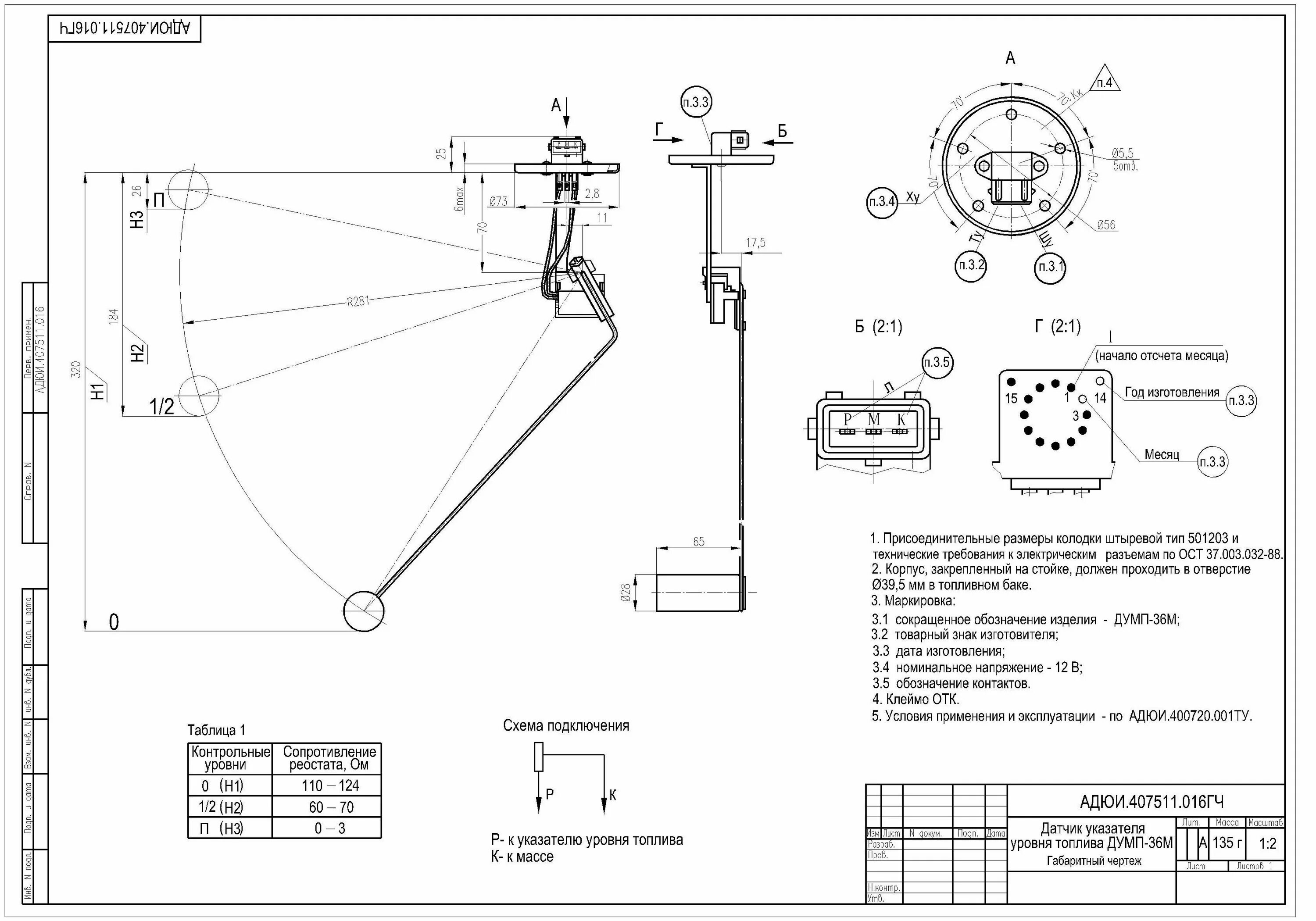
Схема подключения датчиков камаз