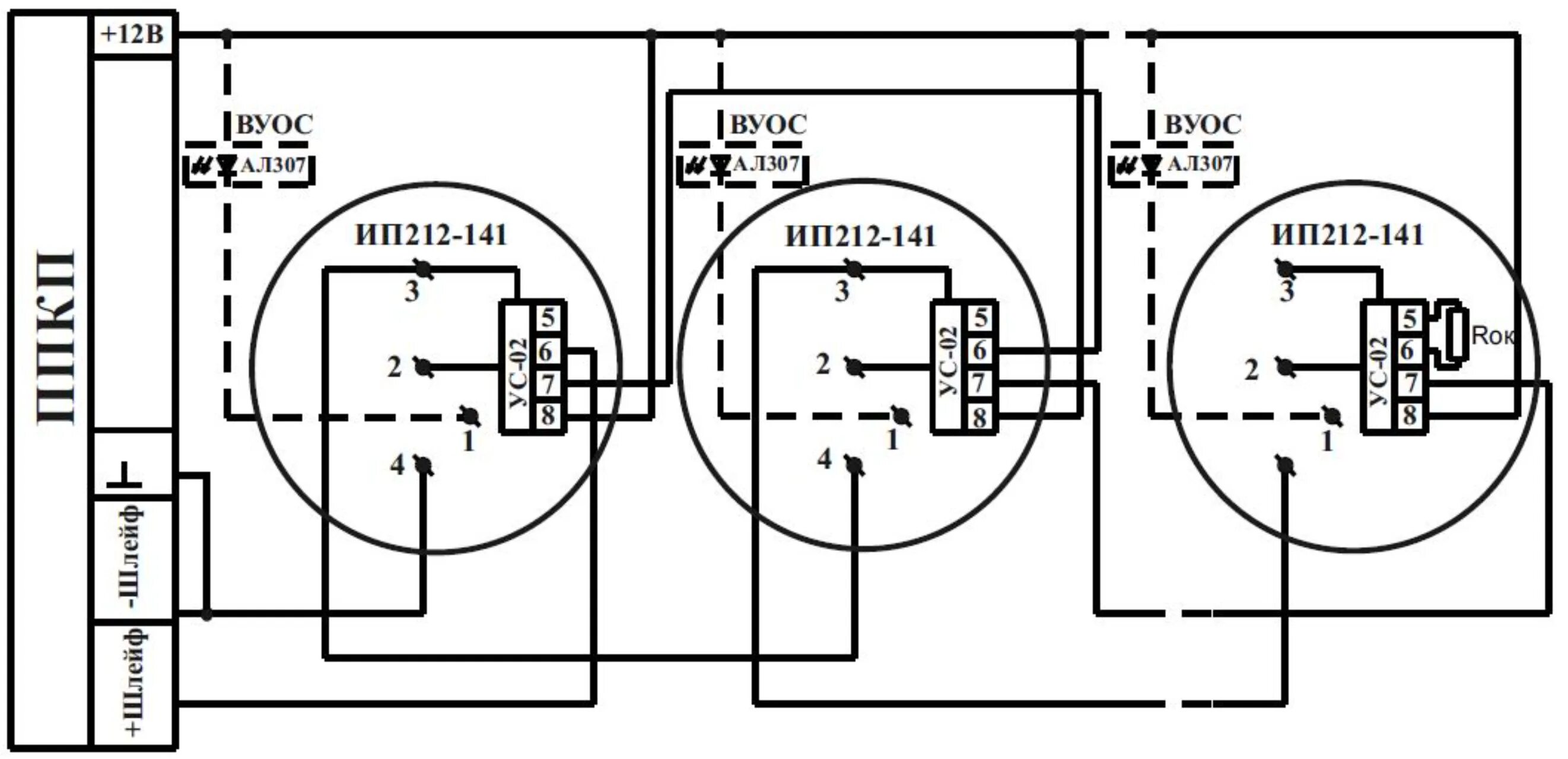
Схема подключения дип