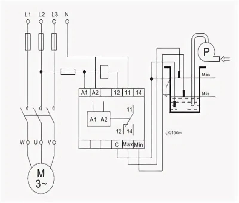
Схема подключения уровней