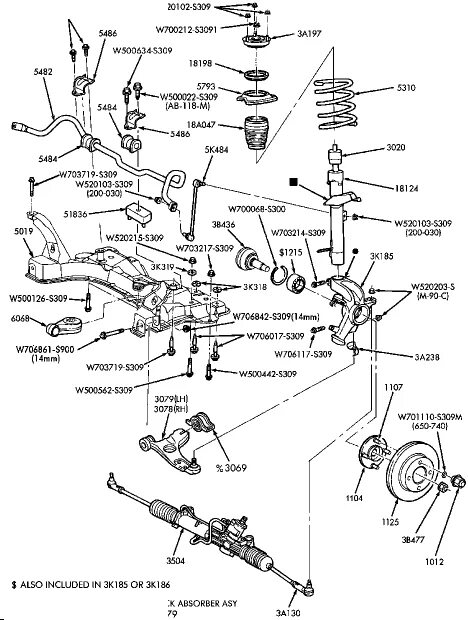
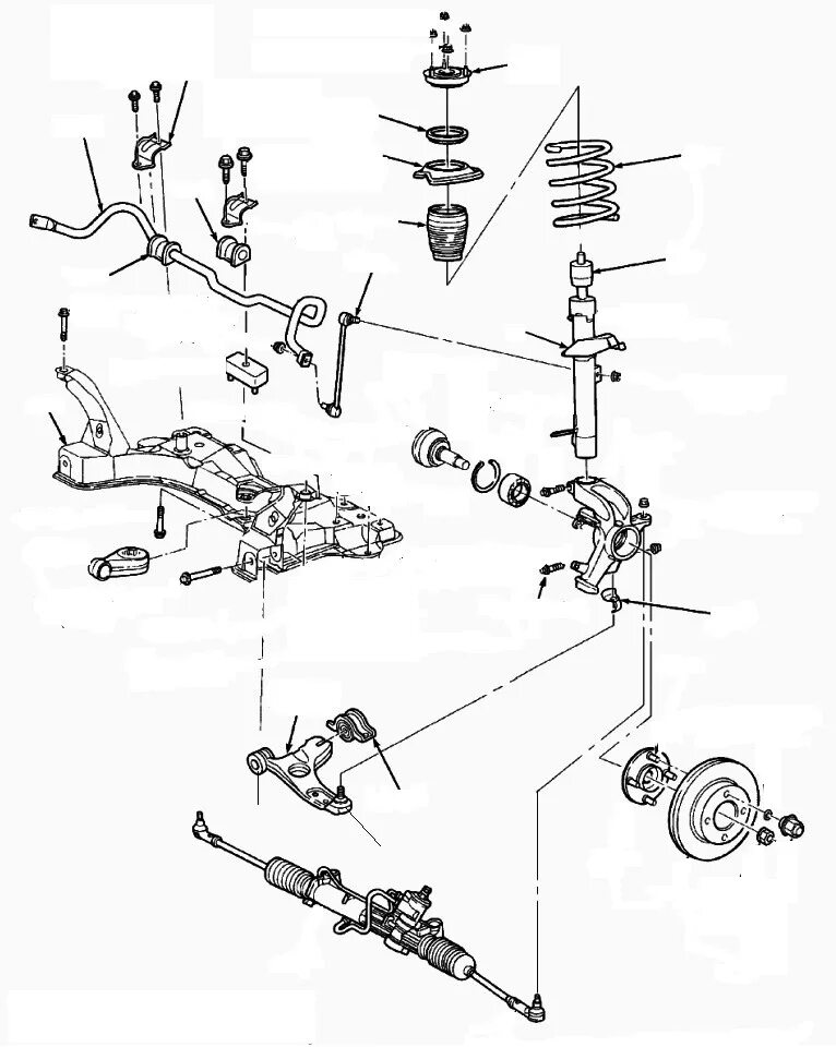
Схема подвески фокус 2