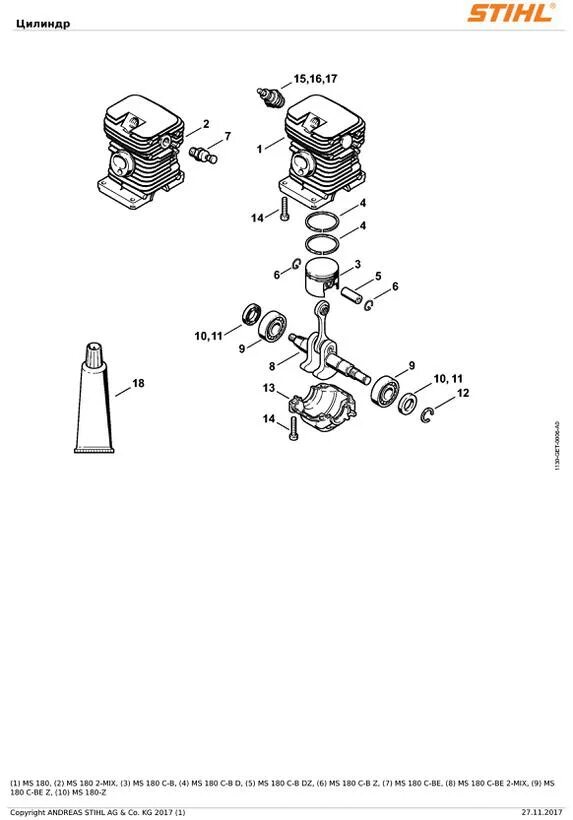
Схема штиль 180