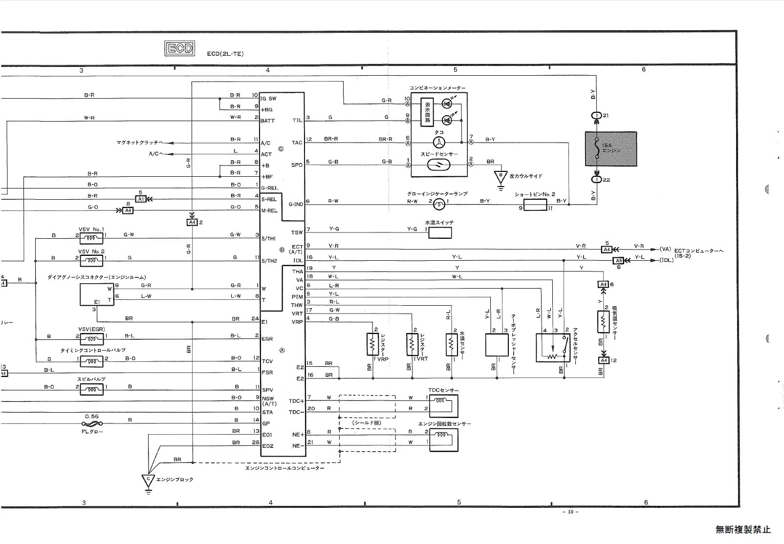
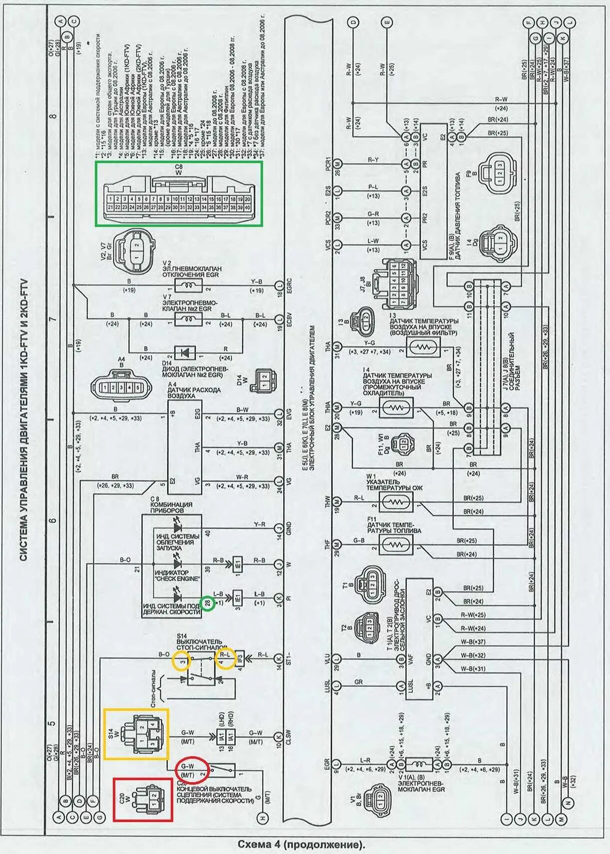
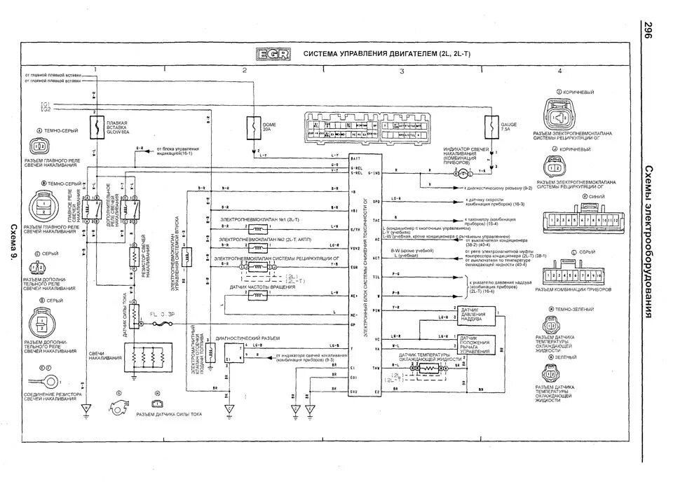
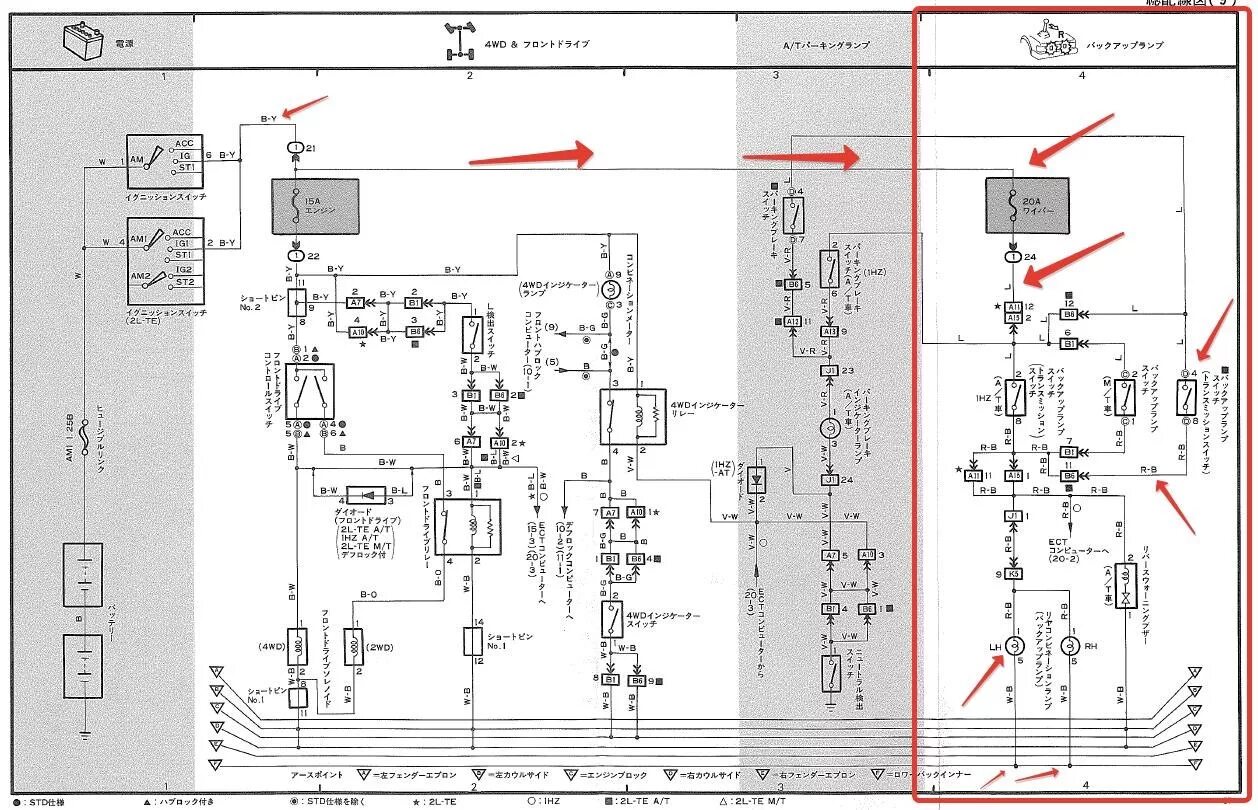
Схема сурф 130