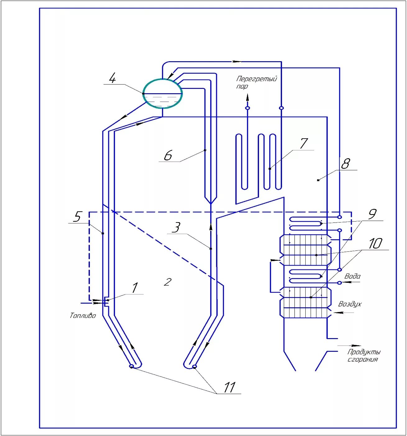
Схема устройства котла