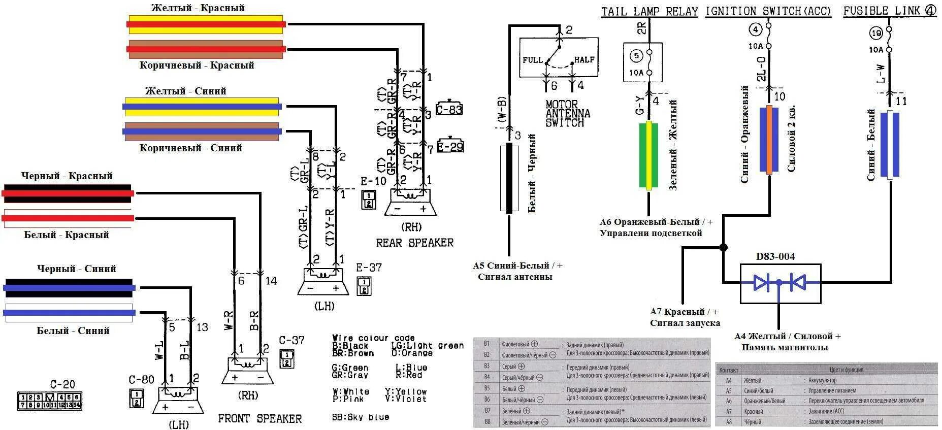
Схема включения магнитолы