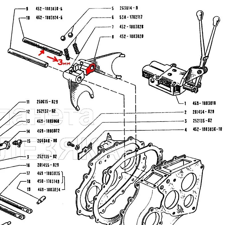
Схема включения раздатки уаз