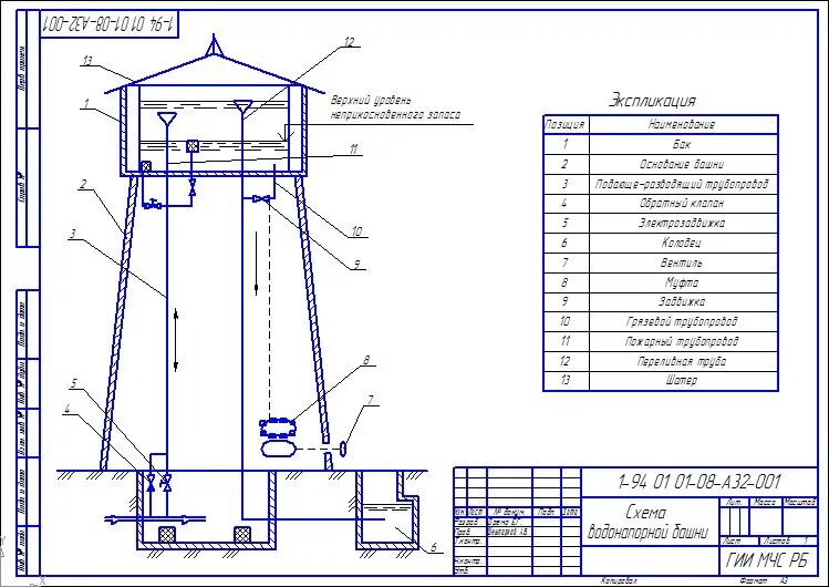
Схема водонапорной башни