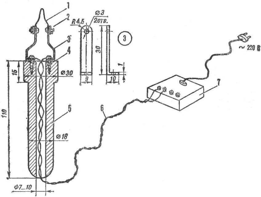
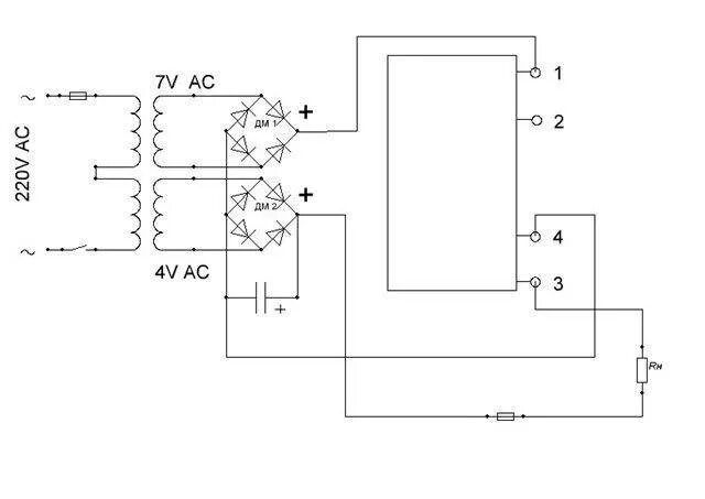
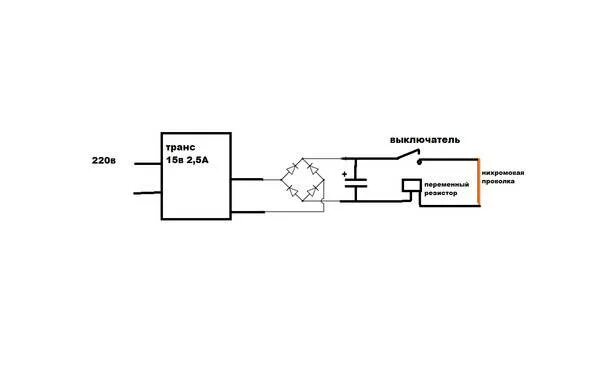
Схема выжигателя по дереву