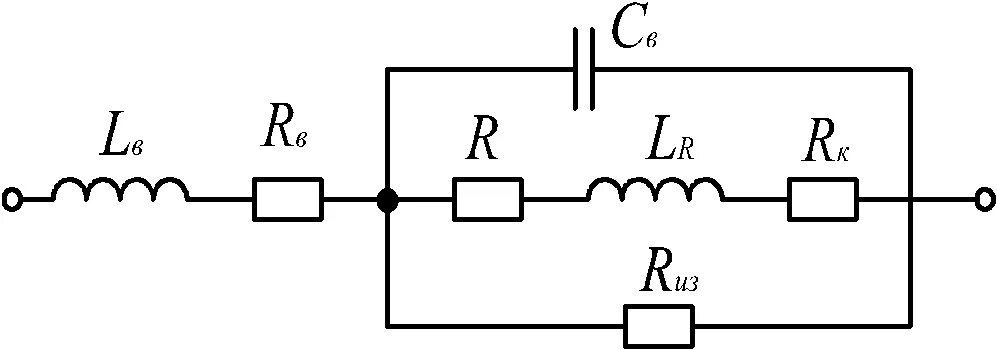
Схема замещения емкости