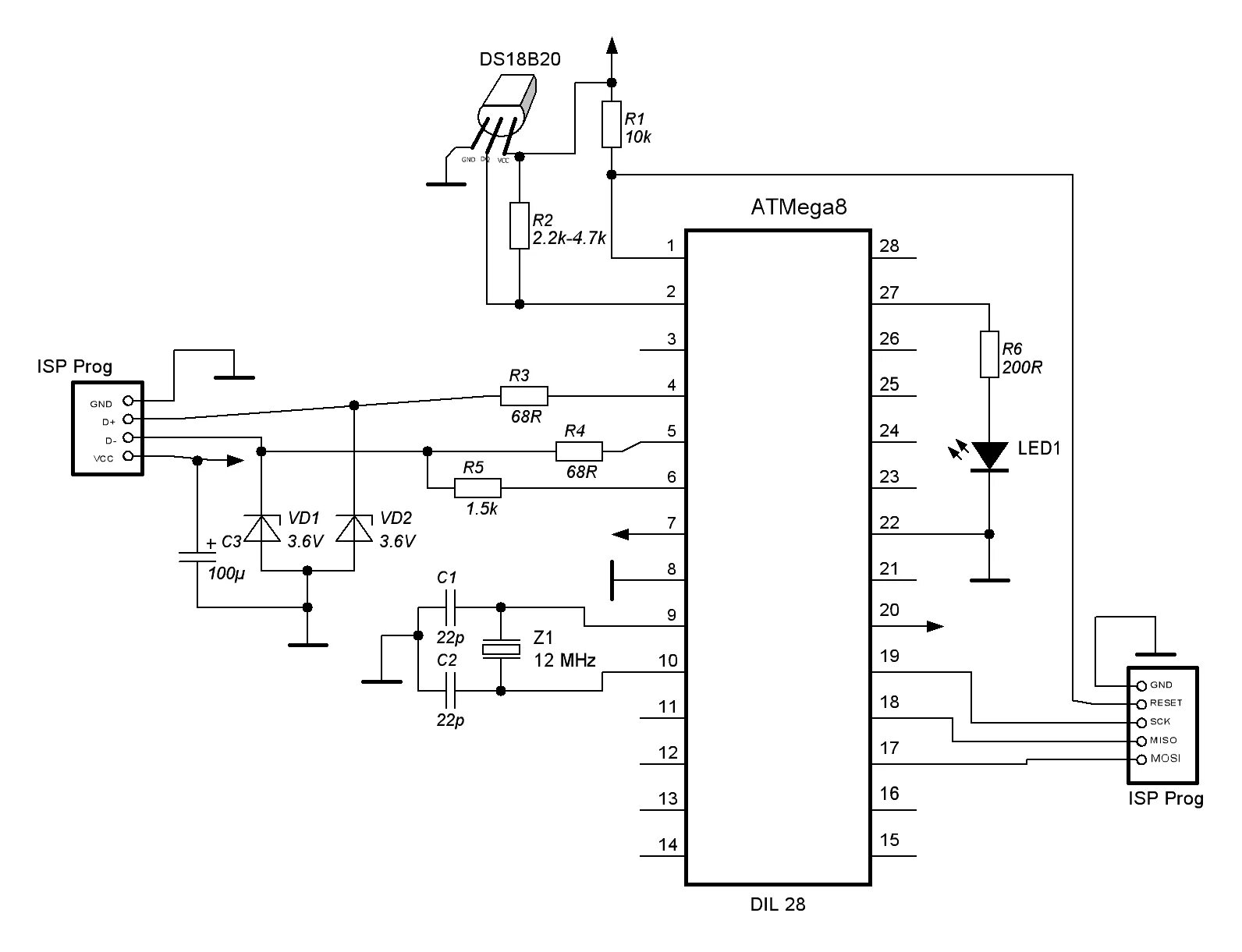
Схему 8 16