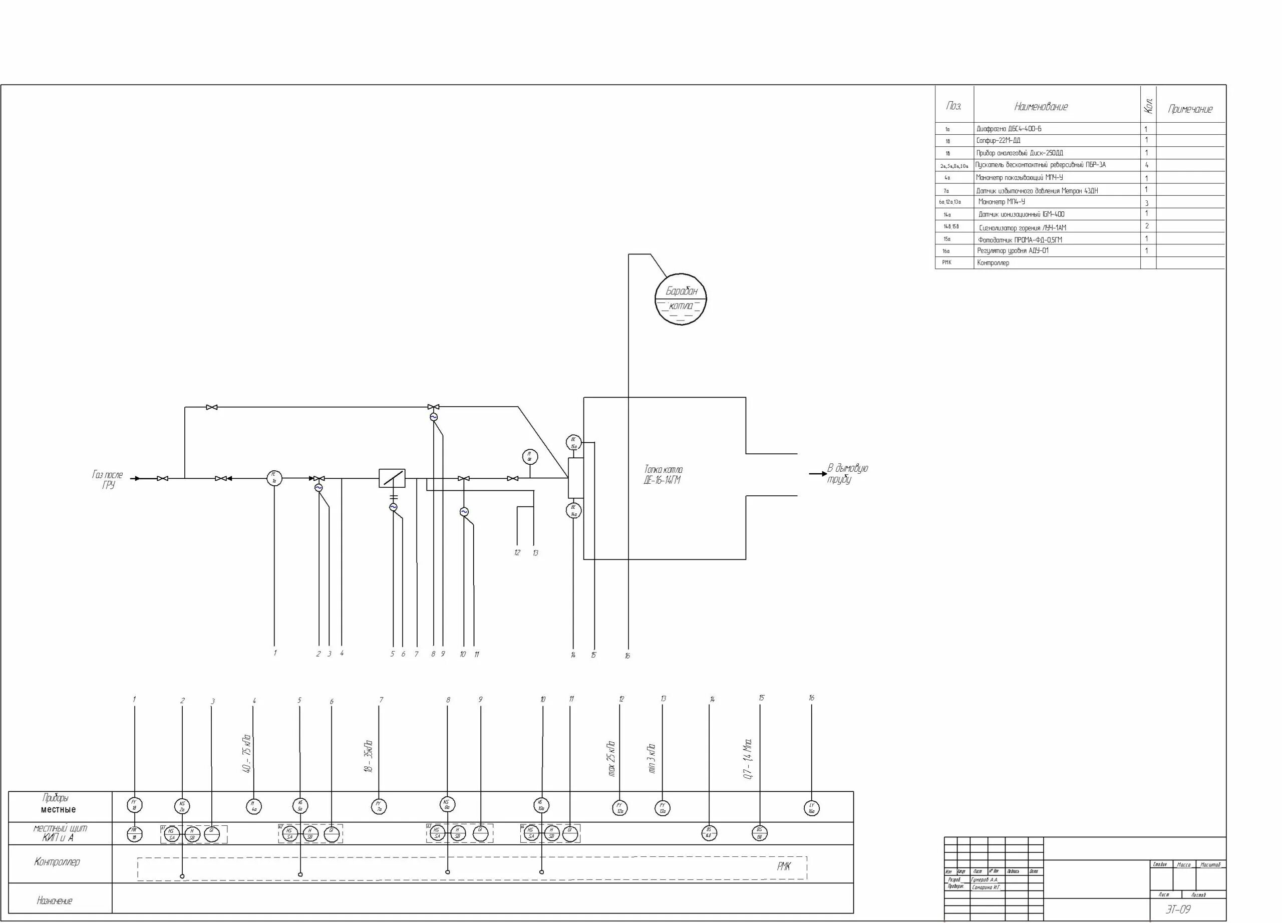
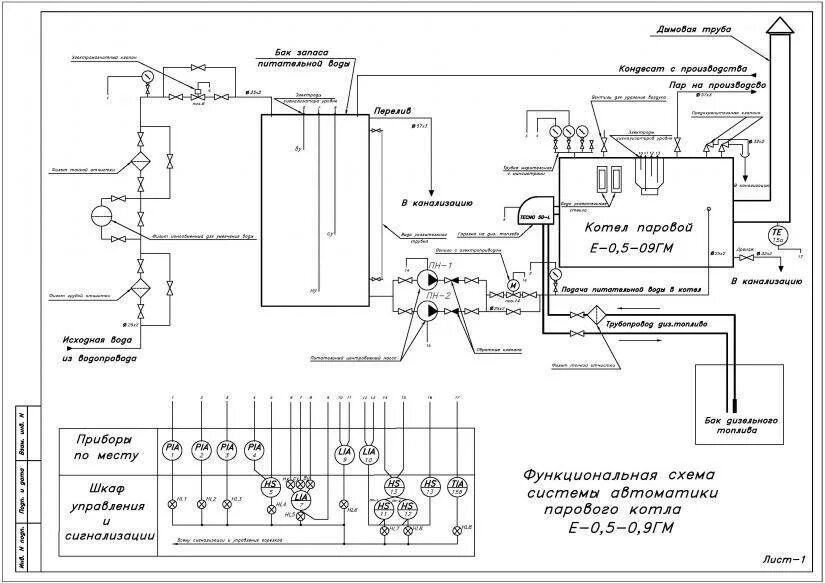
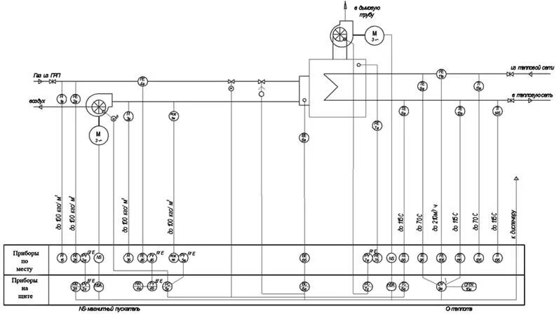
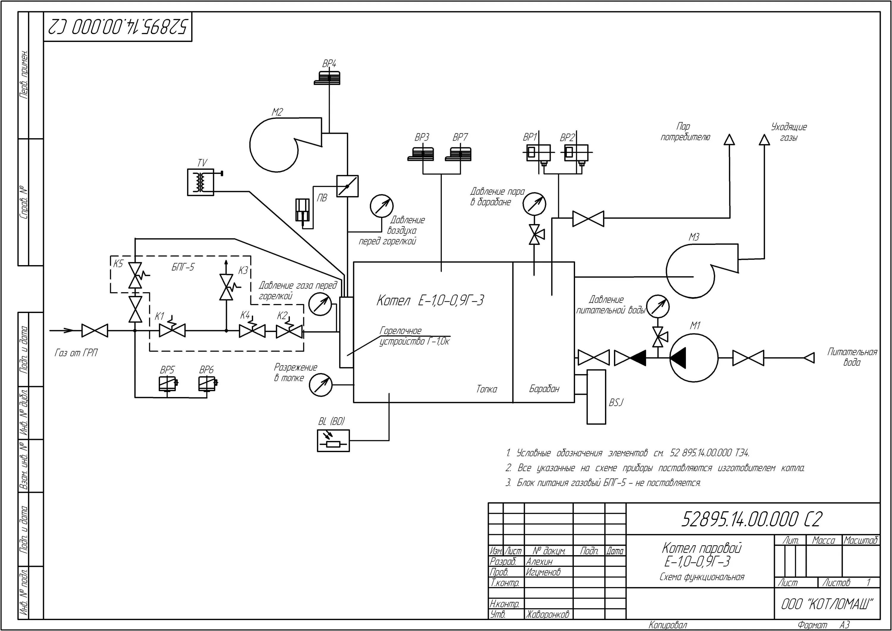
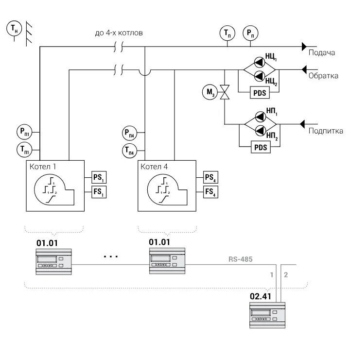
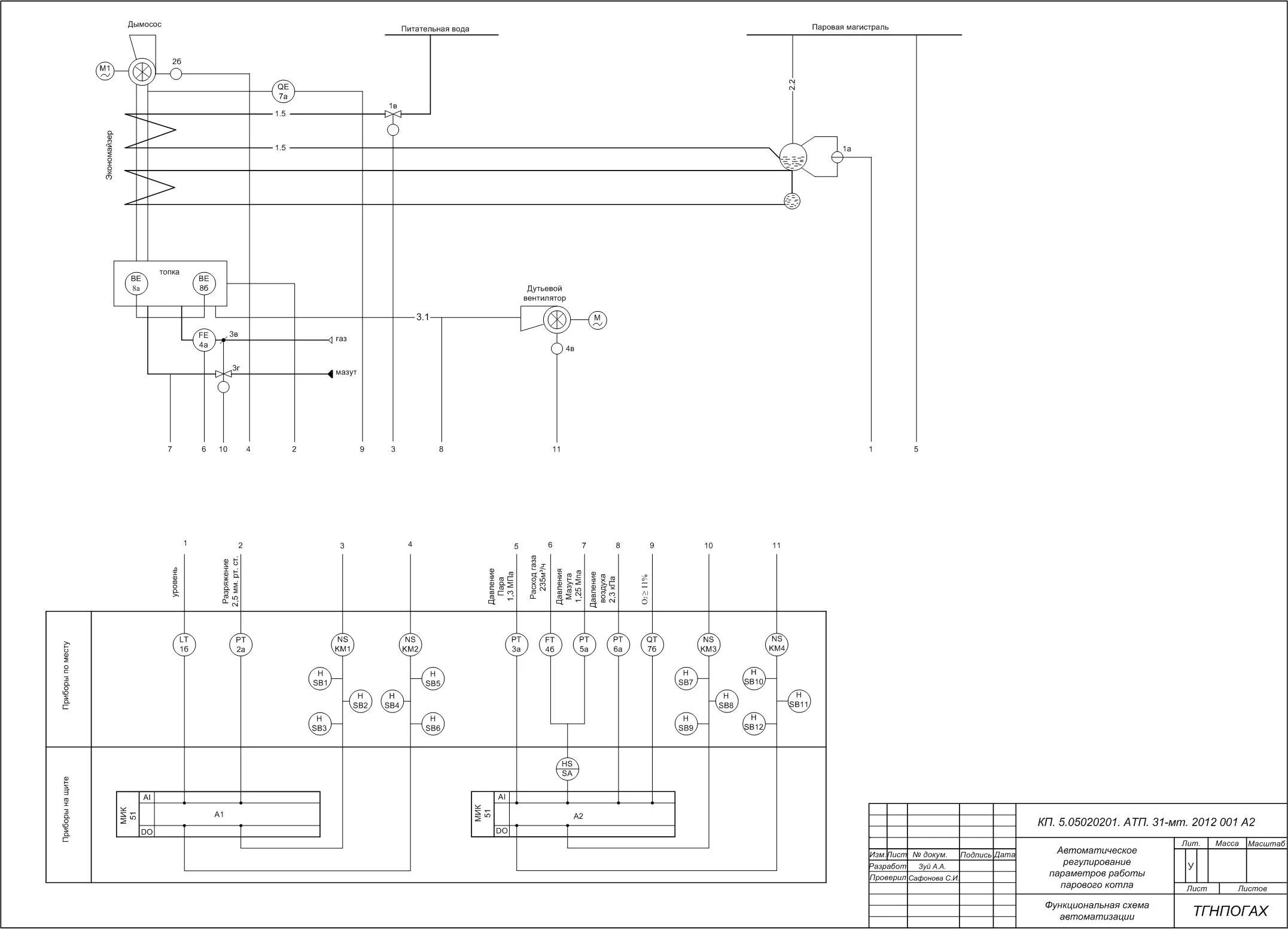
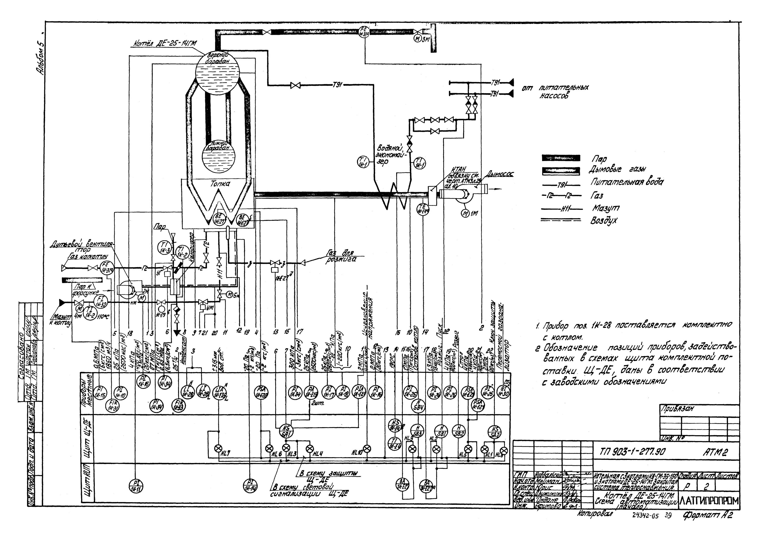
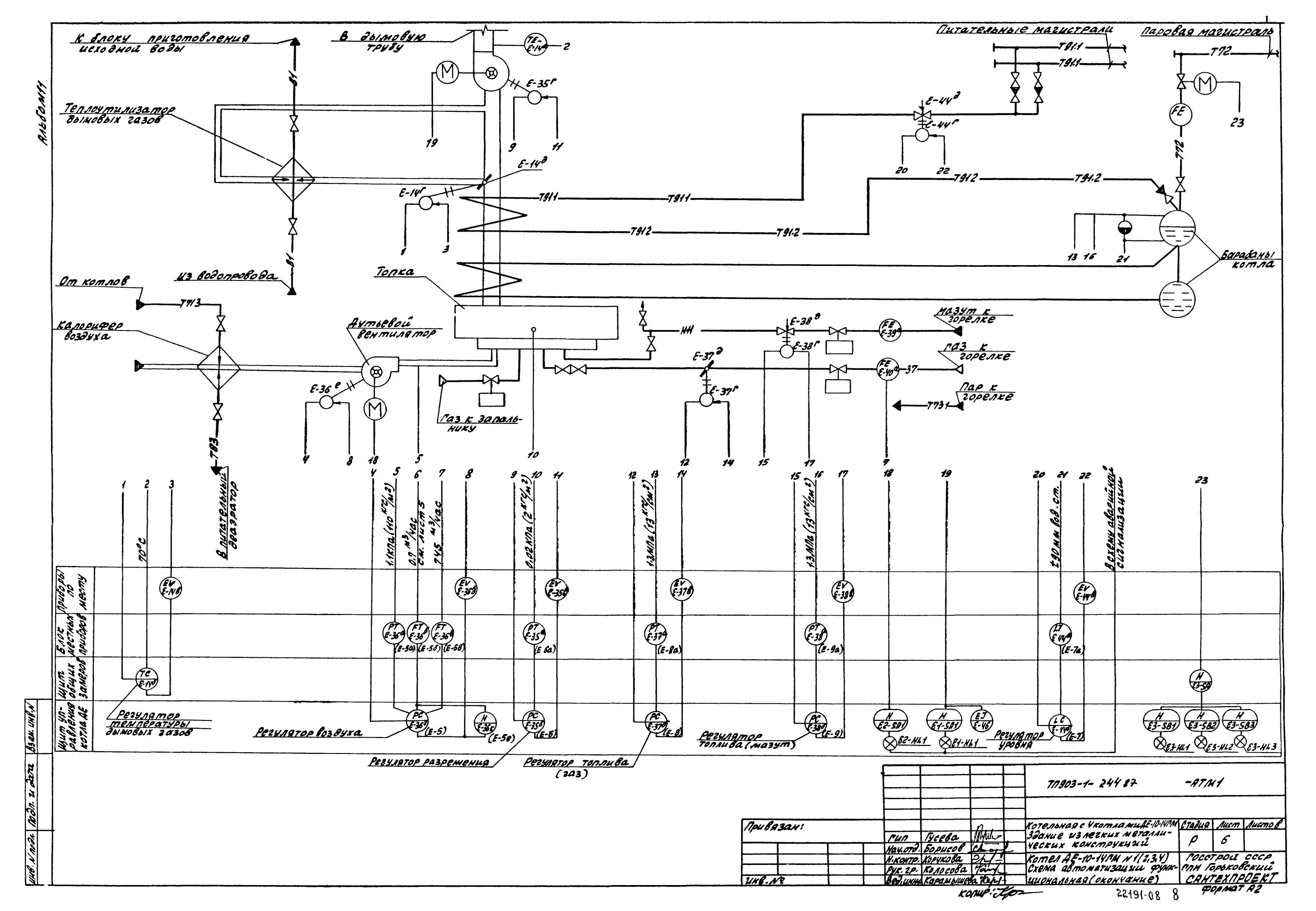
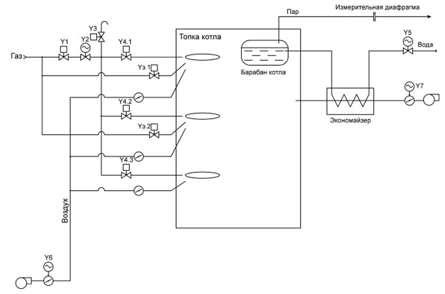
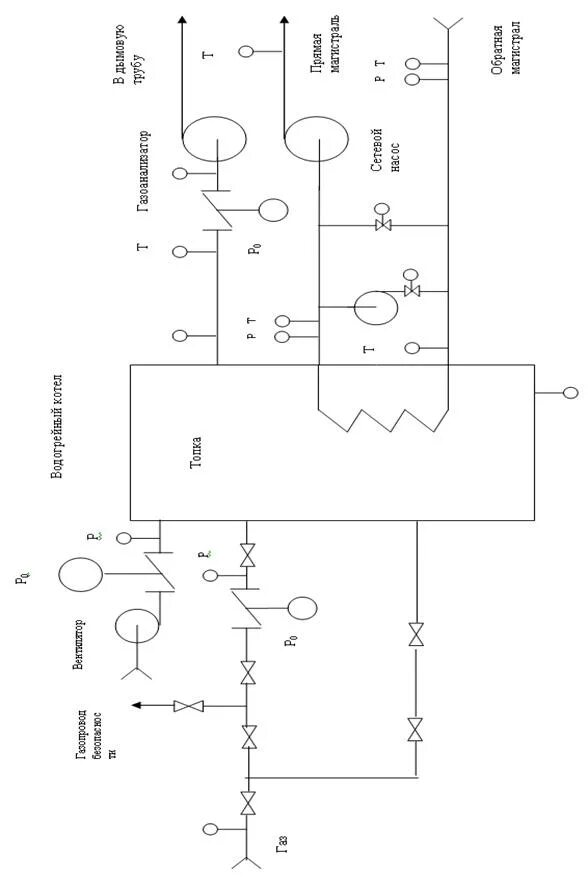
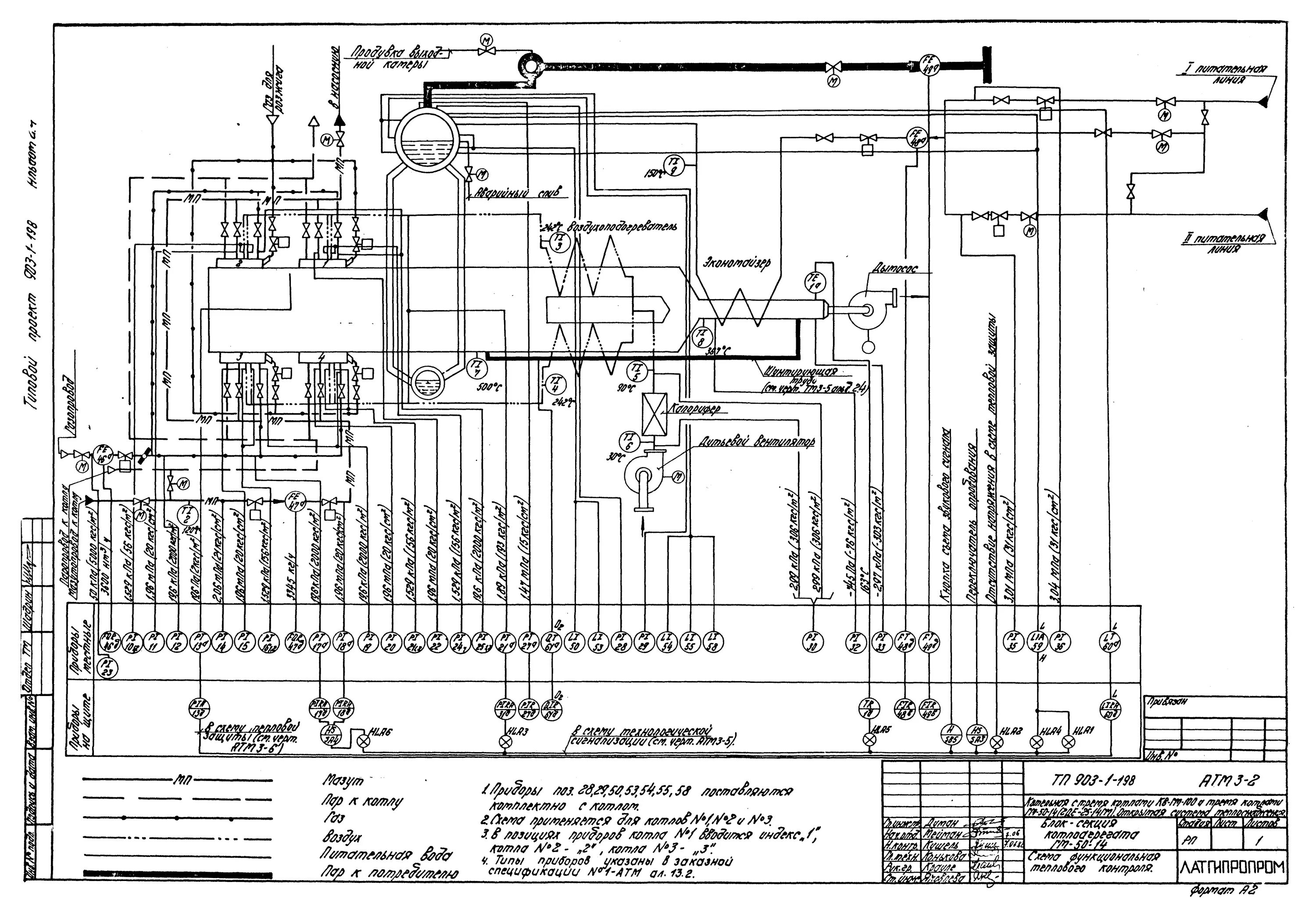
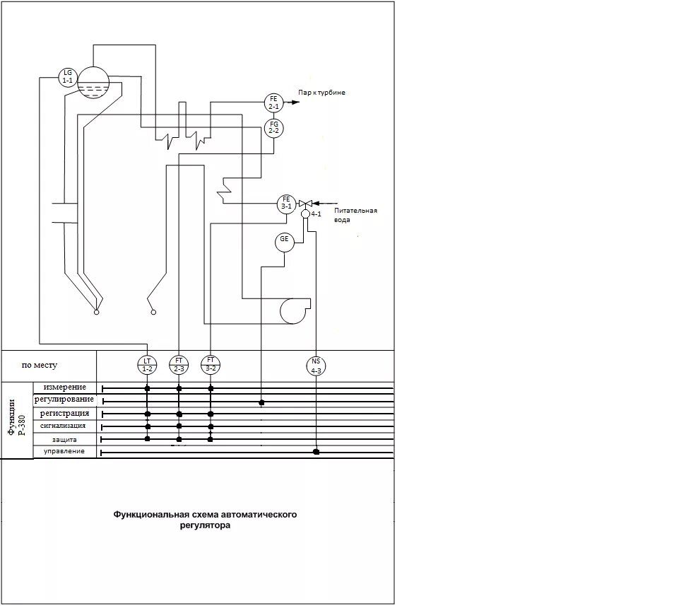
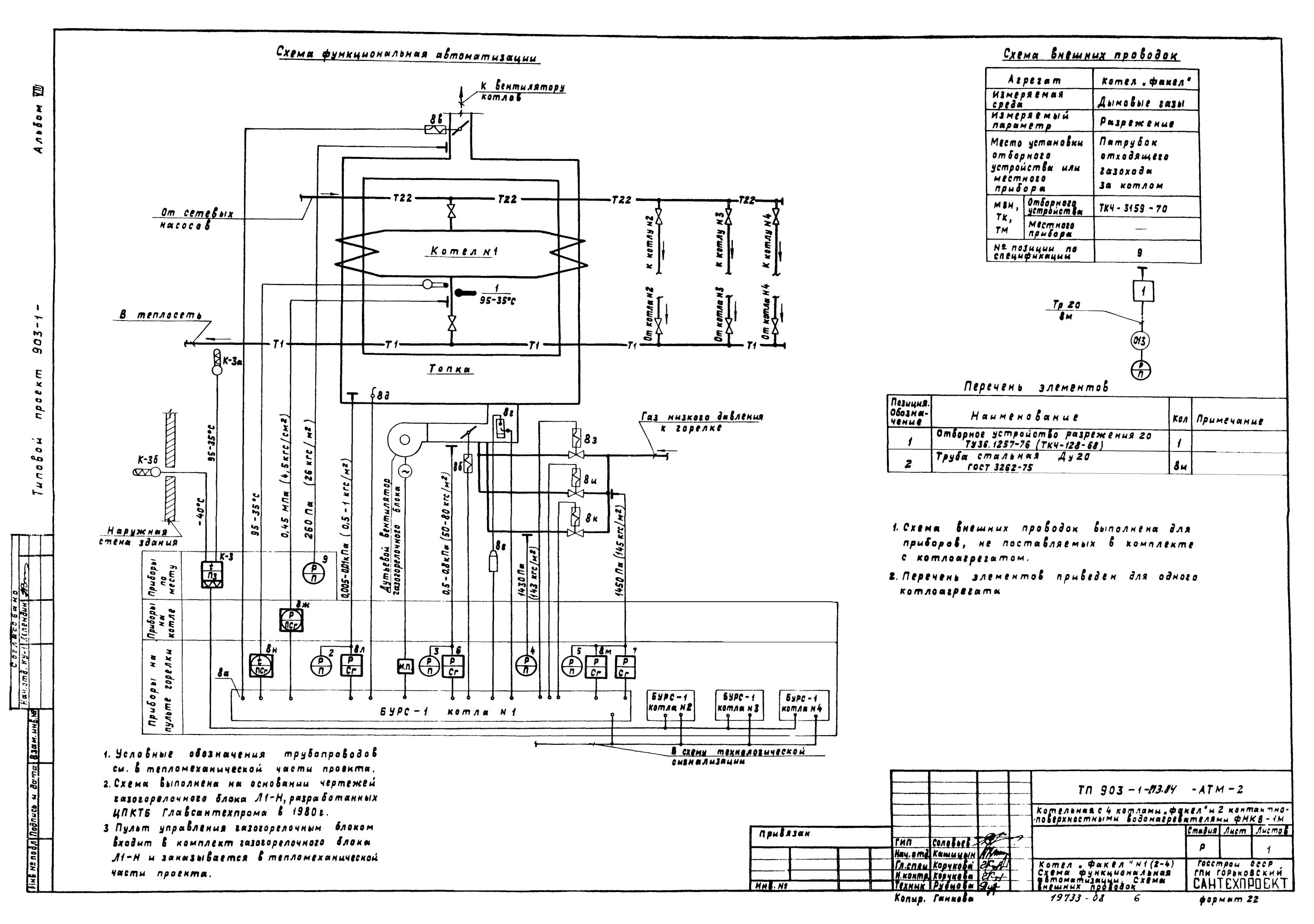
Схемы автоматика котлов