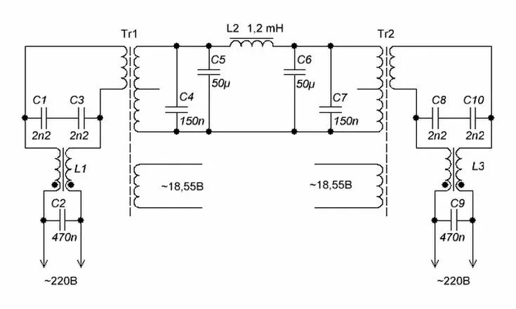
Схемы сетевых фильтров питания